Texas Instruments TPS56A37 10A Synchronous Buck Converter

Texas Instruments TPS56A37 10A Synchronous Buck Converter is an easy-to-use, high-efficiency, synchronous buck converter with a wide input voltage range of 4.5V to 28V. The device supports up to 10A continuous output current at output voltages between 0.6V and 13V. The TPS56A37 uses D-CAP3 control mode to provide a fast transient response, good line and load regulation, and no requirement for external compensation. It supports low equivalent series resistance (ESR) output capacitors like MLCC.

The TPS56A37 operates at Eco-mode to attain high efficiency at light load with a fixed 500kHz switching frequency. The TPS56A37 has an adjustable soft-start time by connecting the SS capacitor with the default 1.8ms and the SS pin floating. The TPS56A37 provides complete non-latched OV (overvoltage), UV (undervoltage), OC (overcurrent), OT (overtemperature), and UVLO (undervoltage lockout) protections combined with power-good indicator and output discharge function features. The Texas Instruments TPS56A37 is available in a 10-pin, 3.0mm×3.0mm HotRod QFN package, and the junction temperature is specified from –40°C to 150°C.

Features

  • 4.5V to 28V input voltage range
  • 0.6V to 13V output voltage range
  • Supports 10A continuous output current
  • Integrated 19.4mΩ and 8.5mΩ MOSFETs
  • 0.6V ±1% reference voltage at 25°C
  • 45uA low quiescent current
  • D-CAP3™ control mode for fast transient response
  • Eco-mode (auto-skip mode) for high light-load efficiency
  • Fixed 500kHz switching frequency
  • Cycle by cycle over the current limit
  • Adjustable soft-start time with default 1.8ms
  • Built-in output discharge function
  • Power-good indicator to monitor output voltage
  • Supports up to 98% duty operation
  • Non-latched protections for UV, OV, OT, and UVLO
  • -40°C to +150°C operating junction temperature
  • Small 10-pin 3.0mm×3.0mm HotRod™ QFN package
  • Pin-to-pin compatible with 6A TPS56637 and 8A TPS56837

Applications

  • Industrial PC, EPOS, factory automation and control
  • Multifunction printers, video conference system
  • General purposes for 12V, 19V, 24V power-bus supply
  • Monitors, TVs, speakers, PCs and notebooks, portable electronics

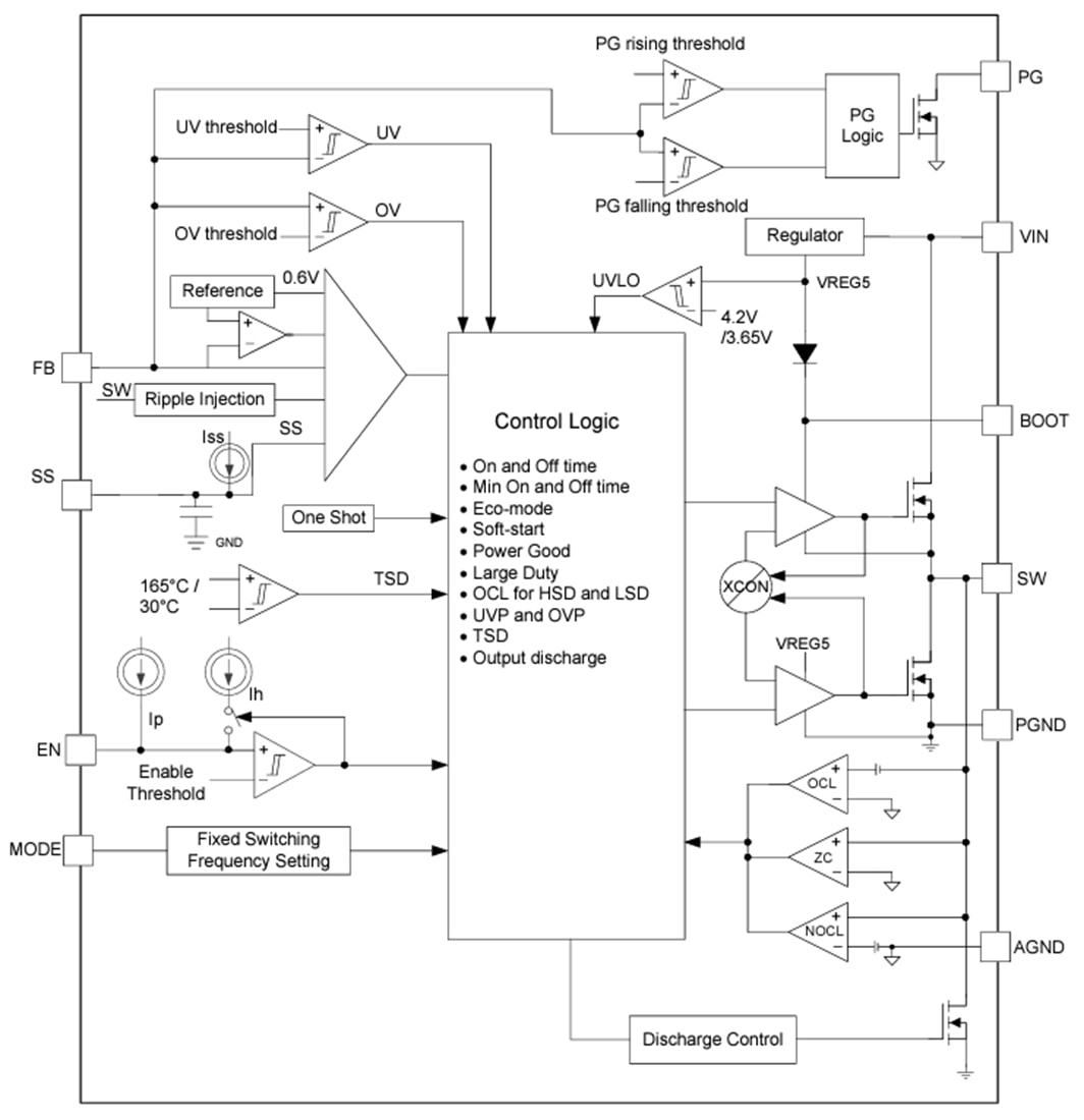
Functional Block Diagram

Block Diagram - Texas Instruments TPS56A37 10A Synchronous Buck Converter
Publicado: 2024-03-27 | Actualizado: 2024-04-09