Analog Devices Inc. MAX20463EVKIT Evaluation Kit for the MAX20463

Analog Devices MAX20463EVKIT Evaluation Kit for the MAX20463 is used to demonstrate the MAX20463 USB Type-C™ solution for automotive applications. The kit is a one-chip solution to convert an existing downstream-facing port from supporting the USB-A connector to a USB Type-C connector. The device features an integrated USB Type-C interface to control the new configuration channel (CC) pins found in the USB Type-C connector.

Features

  • USB-C 3.0A, 1.5A configurable charge detection mode
  • High-side USB power-protection switch
  • Proven PCB layout
  • Fully assembled and tested

Applications

  • Automotive downstream USB modules
  • Automotive USB captive-cable housings

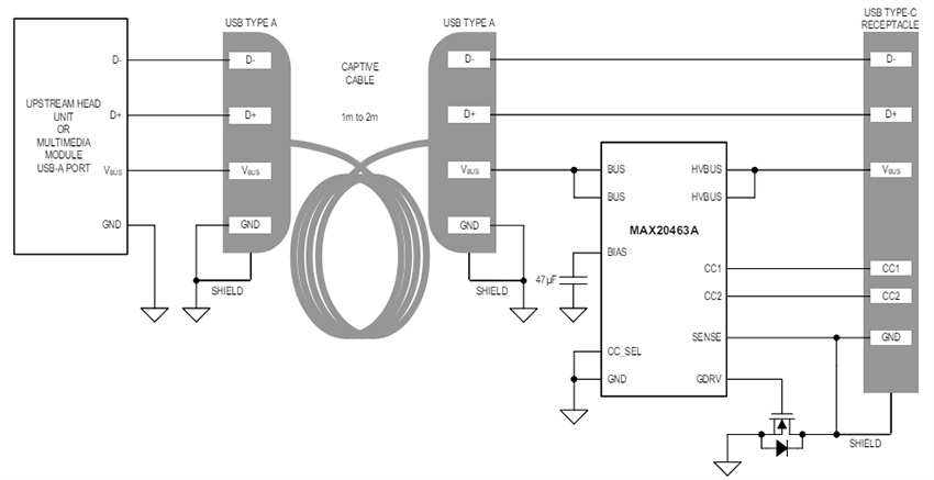
Block Diagram

Block Diagram - Analog Devices Inc. MAX20463EVKIT Evaluation Kit for the MAX20463
Publicado: 2020-06-08 | Actualizado: 2024-05-31