Analog Devices Inc. MAX20463 Automotive USB Type-A to Type-C Converter
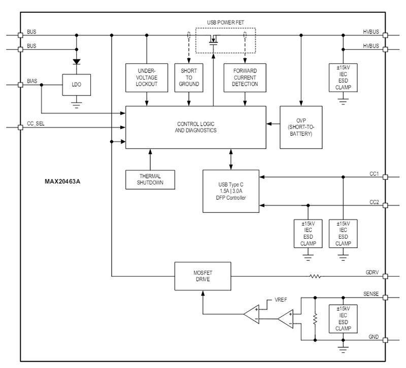
Analog Devices MAX20463 Automotive USB Type-A to Type-C Converters are used to convert an existing USB-A head-unit captive-cable port to a head-unit USB Type-C™ captive-cable port. The MAX20463 devices are designed for automotive modules. At the end of the cable, an existing upstream head-unit USB-A solution and USB-A captive-cable housing can be reused. The device protection features include ±15kV/±8kV IEC 61000-4-2 ESD on CC1/CC2 and IEC ESD with short-to-battery (18V) on SENSE/HVBUS. The MAX20463A senses a short of the passenger cable shield to a car battery, preventing damage to the port.Short-to-ground and short-to-battery survival are also provided on the HVBUS signal and defined to operate in concert with the existing head-unit USB-A charger/protector. This allows coordinated fault detection and reporting to the head-unit USB host. The device is compliant with the USB Type-C specification.
The ADI MAX20463 is available in a small, 3mm x 3mm, 12-pin TDFN package, using very few external components.
Features
- USB Type-C R1.3 compliance with integrated VBUS discharge
- USB Type-C 1.5A and 3.0A DFP controller
- Type-C Current Limit Reduction with VBUS dropout
- Designed for cooperative protection with a head-unit protector
- Short-to-battery and short-to-ground survival on HVBUS for the upstream protector to handle
- Accurate USB Bus forward current threshold
- Low RON 28mΩ (typical) USB power switch
- AEC-Q100 qualified
- Robust design keeps vehicle systems and portable devices safe in automotive environments
- Optional shield short-to-battery detection and external FET control
- Short-to-BUS protection on protected CC1 and CC2 outputs
- IEC 61000-4-2 Level-4 ESD protection (HVBUS, CC1, CC2, SENSE)
- 3mm x 3mm 12-Pin TDFN package
- -40°C to +105°C operating temperature range
Applications
- Automotive downstream USB modules
- Automotive USB captive-cable housing
Simplified Block Diagram
Functional Block Diagram
Publicado: 2020-06-08
| Actualizado: 2024-05-29
