Western Design Center W65C816S 8- / 16-Bit Microprocessors

Western Design Center W65C816S 8- / 16-bit Microprocessors are fully static CMOS devices that extend addressing to a full 16MB. Western Design Center W65C816S Microprocessors offer the advantages of CMOS technology, including increased noise immunity, higher reliability, and greatly reduced power requirements. WDC W65C816S MPUs include a software switch that determines whether the processor is in an 8-bit emulation mode or in the native mode, allowing existing systems to use the expanded features. These WDC microprocessors include full 16-bit ALU, Accumulator, Stack Pointer, and Index Registers. The W65C816S also provides low power consumption (300µA@1MHz).

Features

  • Advanced fully static CMOS design for low power consumption and increased noise immunity
  • Wide operating voltage range, 1.8+/-5%, 2.5+/-5%, 3.0+/-5%, 3.3+/-10%, 5.0+/-5% specified for use with advanced low voltage peripherals
  • Emulation mode allows complete H/W and S/W compatibility with 65xx designs
  • 24-bit address bus provides access to 16MB of memory space
    • Full 16-bit ALU, Accumulator, Stack Pointer, and Index Registers
    • Valid Data Address (VDA) and Valid Program Address (VPA) output for dual cache and cycle steal DMA implementation
    • Vector Pull (VPB) output indicates when interrupt vectors are being addressed
  • Abort (ABORTB) input and associated vector supports processor repairs of bus error conditions
  • Low power consumption (300uA@1MHz)
    • Separate program and data bank registers allow program segmentation or full 16 Mbyte linear addressing
  • New Direct Register and stack relative addressing provides capability for re-entrant, recursive and relocatable programming
    • 24 addressing modes - 13 original W65C02S modes with 92 instructions using 256 opcodes
  • Wait for Interrupt (WAI) and Stop-the-Clock (STP) instructions further reduce power consumption, decrease interrupt latency, and allows synchronization with external events
    • Co-Processor (COP) instruction with associated vector supports co-processor configurations, i.e., floating-point processors
  • Block moveability

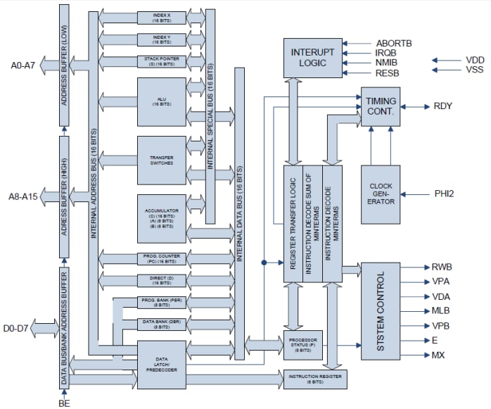
Block Diagram

Block Diagram - Western Design Center W65C816S 8- / 16-Bit Microprocessors
Publicado: 2011-10-07 | Actualizado: 2022-03-11