Vishay General Semiconductor SE30CLJ Surface-Mount High Voltage Rectifiers
Vishay General Semiconductor SE30CLJ Surface-Mount High Voltage Rectifiers are engineered for robust performance in demanding power conversion applications. Designed with an oxide planar chip junction and housed in the eCool SMPD package, the Vishay SE30CLJ rectifiers support efficient top‑side cooling and ensure a minimum creepage distance of 4.3mm, enhancing electrical safety. These devices offer a maximum average forward current of 30A and a repetitive peak reverse voltage of 600V, well‑suited for high‑power rectification.
These Vishay SE30CLJ rectifiers feature a low forward voltage drop, typically 0.97V at 30A and +25°C, along with a low 5µA leakage current at the rated reverse voltage. With a peak surge current capability of 300A and a fast reverse recovery time of approximately 0.26µs, the SE30CLJ delivers reliable performance in applications such as onboard chargers (OBCs), charging stations, and bridge rectifiers. The thermal robustness (operating from -55°C to +175°C with a junction‑to‑case thermal resistance of 0.7°C/W) supports long‑term durability in harsh environments.
Features
- Top side cool
- Ideal for automated placement
- 4.3mm minimum creepage distance
- Oxide planar chip junction
- Low forward voltage drop
- AEC-Q101 qualified, automotive-grade (P/NHM3)
- Meets Moisture Sensitivity Level (MSL) 1 per J-STD-020, LF maximum peak of +260°C
- Lead-free, Halogen-free, and RoHS-compliant
Applications
- Onboard chargers (OBCs)
- Charging stations
- Bridge function
Specifications
- 600V maximum repetitive peak reverse voltage
- 8.1A to 30A maximum DC forward current range
- 300A maximum peak forward surge current, 8.3ms single half sine-wave superimposed on the rated load
- 1.1V maximum instantaneous forward voltage
- 5μA to 300μA maximum reverse current range
- 0.26μs typical reverse recovery time
- 153pF typical junction capacitance
- -55°C to +175°C operating junction temperature range
- 0.7°C/W to 24.5°C/W typical thermal resistance range
- Mechanical
- eCool SMPD package
- UL 94V-0 flammability-rated molding compound
- Matte tin-plated leads, solderable per J-STD-002 and JESD 22-B102
- M3 and HM3 suffix meets JESD 201 class 2 whisker test
Schematic
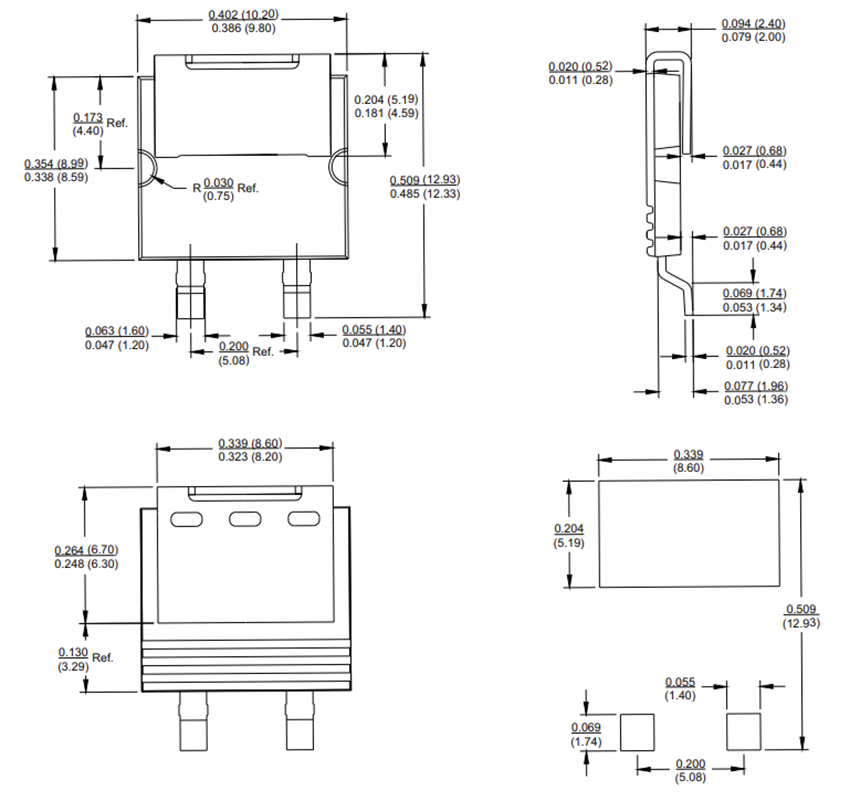
Dimensions: IN (mm)
