Texas Instruments TPSM843B22 SWIFT™ Step-Down Power Module
Texas Instruments TPSM843B22 SWIFT™ Step-Down Power Module is a high-efficiency 18V, 20A synchronous buck module employing an internally compensated, fixed-frequency advanced current mode (ACM) control architecture. While the device continuously operates under FCCM, it generates output voltages from 0.5V to 7V. The module can provide high efficiency while operating at a switching frequency of up to 2.2MHz. The Texas Instruments TPSM843B22 is in a 6.5mm x 7.5mm x 4mm over-molded package, which makes it optimal for designs requiring a small solution size. Additional features include a high-accuracy voltage reference, selectable soft-start times, monotonic start-up into pre-biased outputs, selectable current limits, adjustable UVLO through the EN pin, and a full suite of fault protections.Features
- Fixed-frequency, internally compensated advanced current mode (ACM) control
- Integrated 6.5mΩ and 2mΩ MOSFETs, inductor, and basic passives
- 4V to 18V input voltage range
- 0.5V to 7V output voltage range
- True differential remote sense amplifier (RSA)
- Three selectable PWM ramp options to optimize the control loop performance
- Five selectable switching frequencies of 500kHz, 750kHz, 1MHz, 1.5MHz, and 2.2MHz
- Synchronizable to an external clock
- 0.5V, ±0.5% voltage reference accuracy over the full temperature range
- 1ms, 2ms, 4ms, and 8ms selectable soft-start times
- Monotonic start-up into pre-biased outputs
- Enable with adjustable input undervoltage lockout
- Power-good output monitor
- Output overvoltage, output undervoltage, input undervoltage, overcurrent, and overtemperature protection
- –40°C to 125°C operating junction temperature
- 6.5mm × 7.5mm × 4.0mm, 25-pin over-molded QFN package
- Lead-free (RoHS compliant)
- Pin compatible with the 16A - TPSM843A26 and 12A - TPSM843A22
Applications
- Wireless and wired communications infrastructure equipment
- Optical and fiber networks
- Test and measurement
- Medical and healthcare
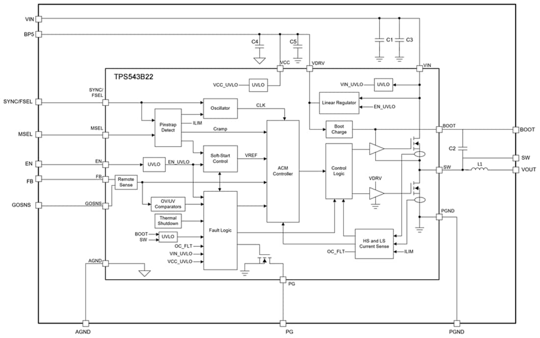
Functional Block Diagram
Publicado: 2023-09-18
| Actualizado: 2023-11-29
