Texas Instruments TPS92663-Q1 Automotive LED Matrix Managers

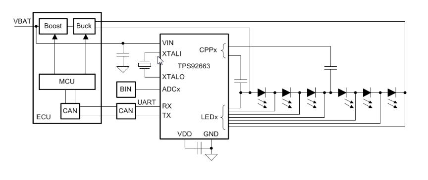
Texas Instruments TPS92663-Q1 High-Brightness LED Matrix Manager for Automotive Headlight Systems offers a fully dynamic adaptive lighting solution. The device provides individual pixel-level LED control and includes two sub-strings of three series-connected integrated switches for bypassing individual LEDs. Single or multiple current sources can be accepted by the individual sub-strings and a parallel connection of two switches to bypass high-current LEDs. A multi-drop universal asynchronous receiver transmitter (UART) serial interface controls the device through a master microcontroller. CAN transceivers can be used supported through the serial interface for a stronger physical layer. LED binning and coding is possible by an on-device 8-bit ADC with two multiplexed inputs used for system temperature compensation. An open LED protection is featured on the TPS92663-Q1 with a programmable threshold. The TPS92663-Q1 devices are AEC-Q100 qualified for automotive applications.

Features

  • AEC-Q100 Qualified for automotive applications
    • –40°C to 125°C, TA Device temperature grade 1 
    • H1C Device HBM Classification level
    • C5 Device CDM Classification level
  • 4.5V to 60V Input voltage range
  • Six integrated bypass switches
    • Two sub-strings of three series switches
    • 20V (Maximum) Across the switch
    • 62V (Maximum) Switch to GND
  • Multi-drop UART communication interface
    • Up to 16 Addressable devices
    • Integrates on the same bus with the TPS92662
  • Compatible with CAN physical layer
    • Minimum number of wires in cable harness
  • 8-bit ADC with two MUX inputs
  • Crystal oscillator driver
  • Programmable 10-bit PWM dimming
    • Individual phase shift and pulse width
    • Device-to-device synchronization
  • LED Open and short detection and protection

Applications

  • Automotive headlight systems
  • High-brightness LED Matrix systems
  • ADB or Glare-free high beam

Block Diagram

Block Diagram - Texas Instruments TPS92663-Q1 Automotive LED Matrix Managers
Publicado: 2018-08-08 | Actualizado: 2025-03-10