Texas Instruments TPS54A24 SWIFT™ Step-Down Converters
Texas Instruments TPS54A24 SWIFT™ Step-Down Converters are optimized for a small solution through high efficiency and integrating high- and low-side MOSFETs. Peak-current-mode control achieves further space savings by reducing component count and selecting a high switching frequency, reducing the inductor footprint. Additionally, the peak-current-mode control simplifies the loop compensation and provides a fast transient response.A dedicated EN pin can be used to control the regulator on/off and adjust the input under-voltage lockout. The output voltage startup ramp is controlled by the SS/TRK pin, which allows operation as either a standalone power supply or in tracking situations. The Texas Instruments TPS54A24 SWIFT™ Step-Down Converter is available in a standard 4mm × 4mm WQFN package.
Features
- Standard 4mm × 4mm WQFN package
- –40°C to +150°C Operating junction temperature
- 200kHz to 1.6MHz Fixed switching frequency
- Peak-current-mode control
- Synchronizes to an external clock
- 0.6V Voltage reference ±0.85% over temperature
- 0.6V to 12V Output voltage range
- Safe startup into pre-biased output voltage
- Hiccup current limit
- Adjustable soft start and power sequencing
- Adjustable input undervoltage lockout
- Power-good output monitor for undervoltage and overvoltage
- 3µA Shutdown current
- Output overvoltage protection
- Non-latch thermal shutdown protection
Applications
- Wired networking (switches)
- Wireless infrastructure
- Test and measurement
- Medical imaging equipment
- Power for FPGAs, SoCs, DSPs, and processors
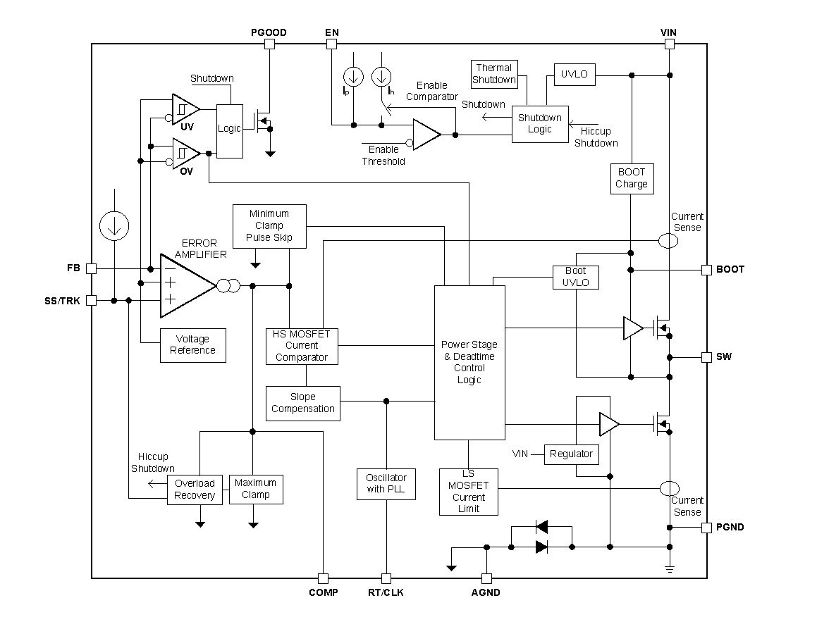
Block Diagram
Publicado: 2019-08-01
| Actualizado: 2023-10-16
