Texas Instruments TPS54424 4A Synch SWIFT™ Step-Down Converters

Texas Instruments TPS54424 17V, 4A Synchronous SWIFT™ Step-Down Converters come in a 3.5mm x 3.5mm HotRod™ QFN package and is optimized for small solution size. This is achieved through high efficiency and integrating the high-side and low-side MOSFETs. The inductor footprint is reduced through peak current mode control, which reduces component count, and by selecting a high switching frequency. Loop compensation is simplified through peak current control and offers a fast transient response.

The device is protected from overload situations by cycle-by-cycle peak current limiting on the high-side and low-side sourcing current limit. Features include Hiccup Current Limit and Power Good Output Monitor for under voltage and overvoltage. The regulator on/off is controlled by a dedicated EN pin, as well as adjusting the under voltage lockout.

Features

  • Small 3.5mm x 3.5mm HotRod™ QFN package
  • Integrated 14.1mΩ and 6.1mΩ MOSFETs
  • Peak current mode control with fast transient response
  • 200kHz to 1.6MHz fixed switching frequency
  • Synchronizes to External clock
  • 0.6V voltage reference ±0.85% over temperature
  • 0.6V to 12V output voltage range
  • Hiccup current limit
  • Safe Startup into Pre-Biased output voltage
  • Adjustable Soft-Start and power sequencing
  • Adjustable input Under Voltage Lockout
  • 3µA shutdown current
  • Power Good output monitor for Undervoltage and Overvoltage
  • Output overvoltage protection
  • Non-latch Thermal Shutdown protection
  • -40°C to 150°C operating junction temperature
  • Create a custom design using the TPS54424 with the WEBENCH® Power Designer

Applications

  • Telecom and wireless infrastructure
  • Test and measurement
  • Medical imaging equipment
  • Enterprise switching
  • Server

Videos

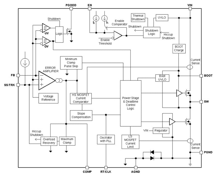
Functional Block Diagram

Block Diagram - Texas Instruments TPS54424 4A Synch SWIFT™ Step-Down Converters
Publicado: 2017-10-23 | Actualizado: 2022-07-06