Texas Instruments TPS51215A Single-Phase D-CAP2™ Buck Controller
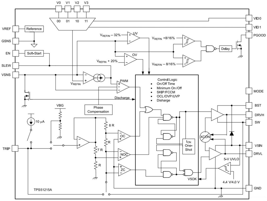
Texas Instruments TPS51215A Single-Phase D-CAP2™ Buck Controller has a 2-bit VID input supporting 0V and three other independent externally programmable output voltage levels. These are ideal where full external programmability of the voltage level, step setting, and voltage-change slew rate is desired. It is used for Intel IMVP8/9 applications, where multiple voltage levels are desired.The Texas Instruments TPS51215A supports all POS/SPCAP and/or all-ceramic MLCC output capacitor options in applications requiring remote sensing. An external programmable integrator capacitor achieves tight DC load regulation. The TPS51215A provides a full protection suite, including OVP, OCL, 5V UVLO, and thermal shutdown. It supports conversion voltages up to 28V and output voltages adjustable from 0.5V to 2V.
The TPS51215A is available in the 3mm × 3mm, QFN, 0.4mm pitch package and is specified from –40°C to 125°C.
Features
- Differential voltage feedback
- DC compensation for accurate regulation
- 3V to 28V wide input voltage range
- Flexible, 2-bit VID supports output voltage from 0.5V to 2.0V and 0V VOUT
- D-CAP2™ mode at 600kHz for Ultra-Low/Low ESR Output Capacitor
- 4700ppm/°C, low-side RDS(on) current sensing
- Programmable soft-start time and output voltage transition time
- Built-in output discharge
- Power good output
- Integrated boost switch
- Built-in OVP/UVP/OCP
- Thermal shutdown (non-latched)
- 3mm × 3mm, 20-Pin, QFN (RUK) package
Applications
- Notebook computers
- Desktop computers
- Industrial PC
Functional Block Diagram
Publicado: 2020-08-12
| Actualizado: 2024-08-07
