Texas Instruments TLV770 Low-Dropout (LDO) Linear Regulators

Texas Instruments TLV770 Low-Dropout (LDO) Linear Regulators are designed to provide a voltage source with 55dB (1MHz) high PSRR. These regulators deliver load and line transient performance that meet the requirements of various circuits. The TLV770 LDO regulators provide a 0.6V to 3.3V output voltage range and 2% output voltage accuracy. These regulators include an internal soft-start circuit to avoid excessive inrush current and reduce the input voltage drop during start-up. The TLV770 LDO regulators operate within the −40°C to 125°C temperature range and 1.4V to 5.5V voltage range. These LDO regulators are used in smartphones, tablets, set-top boxes, gaming consoles, camera modules, and streaming media players.

Features

  • 55dB (1MHz) High PSRR
  • 1.4V to 5.5V input voltage range
  • 0.6V to 3.3V fixed output voltage range
  • 2% output voltage accuracy
  • -40°C to 125°C operating temperature range
  • 45mV at 50mA (3.3VOUT) low dropout voltage
  • Active output pulldown resistor

Applications

  • Smartphones
  • Notebooks
  • Tablets
  • Gaming consoles
  • Streaming media players
  • Set-top boxes
  • Camera modules

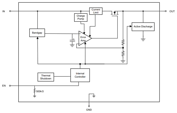
Functional Block Diagram

Block Diagram - Texas Instruments TLV770 Low-Dropout (LDO) Linear Regulators

Application Circuit Diagram

Application Circuit Diagram - Texas Instruments TLV770 Low-Dropout (LDO) Linear Regulators
Publicado: 2024-07-19 | Actualizado: 2025-01-20