Texas Instruments TLV170x/TLV170x-Q1 MicroPower Comparators

Texas Instruments TLV170x/TLV170x-Q1 MicroPower Comparators are a family of devices that offers a wide supply range, rail-to-rail inputs, low quiescent current, and low propagation delay. All these features come in industry-standard, extremely-small packages, making these devices the best general-purpose comparators available. The open-collector output offers the advantage of allowing the output to be pulled to any voltage rail up to +36V above the negative power supply, regardless of the TLV170x supply voltage.

These devices are available in single (TLV1701/TLV1701-Q1), dual (TLV1702/TLV1702-Q1), and quad (TLV1704/TLV1704-Q1) channel versions. Low input offset voltage, low input bias currents, low supply current, and open-collector configuration make the TLV170x/TLV170x-Q1 family flexible enough to handle almost any application, from simple voltage detection to driving a single relay. The Texas Instruments TLV170x-Q1 devices are AEC-Q100 qualified for automotive applications.

Features

  • +2.2V to +36V or ±1.1V to ±18V Supply Range
  • Low Quiescent Current: 55µA per Comparator
  • Input Common-Mode Range Includes Both Rails
  • 560ns Low Propagation Delay
  • 300µV Low Input Offset Voltage
  • Open Collector Outputs
    • Up To 36V Above Negative Supply Regardless of Supply Voltage
  • Industrial Temperature Range: -40°C to +125°C
  • Small Packages
    • Single: SC70-5, SOT-23-5, SOT553-5
    • Dual: VSSOP-8, X2QFN-8
    • Quad: TSSOP-14

Applications

  • Overvoltage and Undervoltage Detectors
  • Window Comparators
  • Overcurrent Detectors
  • Zero-Crossing Detectors
  • System Monitoring for
    • Power Supplies
    • White Goods
    • Industrial Sensors
    • Automotive
    • Medical

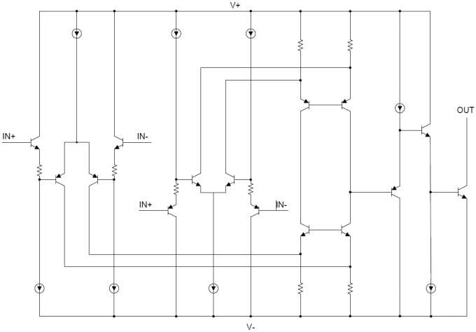
Functional Block Diagram

Block Diagram - Texas Instruments TLV170x/TLV170x-Q1 MicroPower Comparators
Publicado: 2014-10-14 | Actualizado: 2025-08-01