Texas Instruments TL4050/TL4050-Q1 Shunt Voltage References

Texas Instruments TL4050/TL4050-Q1 Precision Micropower Shunt Voltage References offer versatility and ease of use, ideal for a wide array of applications. The two-terminal fixed-output devices do not require external capacitors for operation and are stable with all capacitive loads. Furthermore, the reference provides a low dynamic impedance, low noise, and low-temperature coefficient to guarantee a stable output voltage over a wide range of operating currents and temperatures.

The TI TL4050/TL4050-Q1 is available in three initial tolerances, ranging from 0.1% (max) for the A grade to 0.5% (max) for the C grade. Therefore, designers have a great deal of flexibility in choosing the best cost-to-performance ratio for applications. Packaged in the space-saving SOT-23-3 and SC-70 packages and requiring a minimum current of 45µA (typ), the TL4050/TL4050x-Q1 is also excellent for portable applications.

The TL4050xI is characterized for operation over an ambient temperature range of -40°C to +85°C, while the TL4050xQ/TL4050x-Q1 is characterized at -40°C to 125°C.

The TI TL4050-Q1 is AEC-Q100 qualified for automotive applications.

Features

  • Qualified for automotive applications (TL4050-Q1)
  • Fixed output voltages of 2.048V, 2.5V, 4.096V, 5V
  • Tight output tolerances and low-temperature coefficient
    • Max 0.1%, 50ppm/°C - A grade
    • Max 0.2%, 50ppm/°C - B grade
    • Max 0.5%, 50ppm/°C - C grade
  • Low output noise of 41μVRMS typ
  • Wide operating current range of 60μA typ to 15mA
  • Stable with all capacitive loads; no output
  • Capacitor required
  • Available in extended temperature range of -40°C to 125°C

Applications

  • Data-Acquisition Systems
  • Power supplies and power-supply monitors
  • Instrumentation and test equipment
  • Process controls
  • Precision audio
  • Automotive electronics
  • Energy management
  • Battery-powered equipment

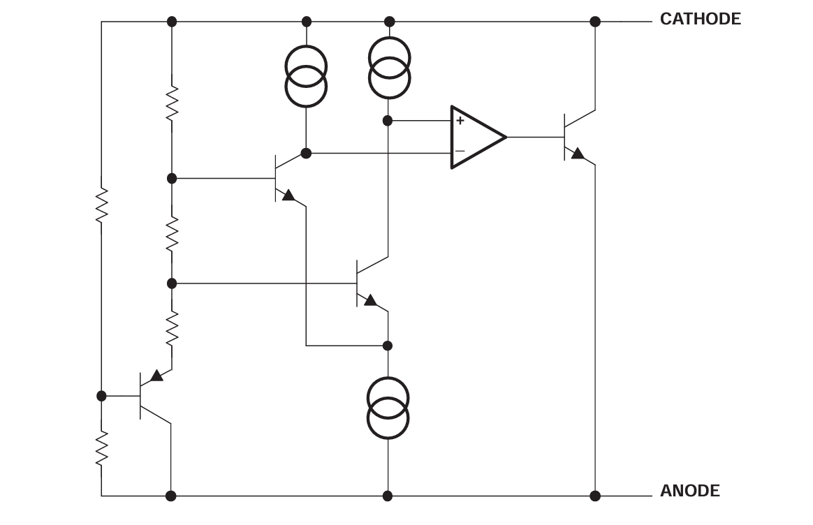
FUNCTIONAL BLOCK DIAGRAM

Block Diagram - Texas Instruments TL4050/TL4050-Q1 Shunt Voltage References

Pinout/Package Style

Location Circuit - Texas Instruments TL4050/TL4050-Q1 Shunt Voltage References
Publicado: 2025-01-17 | Actualizado: 2025-01-26