Texas Instruments SN74LVCH32373A 32-Bit Transparent D-Type Latch

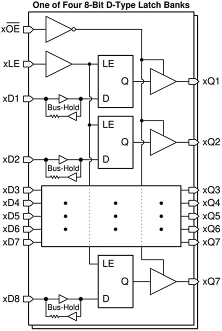
Texas Instruments SN74LVCH32373A 32-Bit Transparent D-Type Latch is designed for 1.65V to 3.6V supply voltage range (VCC) operation. The Texas Instruments SN74LVCH32373A is suitable for implementing buffer registers, I/O ports, bidirectional bus drivers, and working registers. It can be used as four 8-bit latches, two 16-bit latches, or one 32-bit latch. When the latch-enable (LE) input is high, the Q outputs follow the data (D) inputs. When LE is taken low, the Q outputs are latched at the levels set up at the D inputs.

Features

  • Member of the Texas Instruments Widebus+™ Family
  • Operates from 1.65V to 3.6V
  • Inputs accept voltages to 5.5V
  • Max tpd of 4.2ns at 3.3V
  • Typical VOLP (output ground bounce) < 0.8V at VCC = 3.3V, TA = 25°C
  • Typical VOHV (output VOH undershoot) > 2V at VCC = 3.3V, TA = 25°C
  • Ioff supports partial-power-down mode operation
  • Supports mixed-mode signal operation (5V input and output voltages with 3.3V VCC)
  • Bus hold on data inputs eliminates the need for external pullup/pulldown resistors
  • Latch-up performance exceeds 250mA per JESD 17
  • ESD protection exceeds JESD 22
    • 2000V human-body model (A114-A)
    • 200V machine model (A115-A)

Applications

  • Buffer registers
  • I/O ports
  • Bidirectional bus drivers
  • Working registers

Functional Block Diagram

Block Diagram - Texas Instruments SN74LVCH32373A 32-Bit Transparent D-Type Latch
Publicado: 2020-08-17 | Actualizado: 2025-07-03