Texas Instruments SN74LV594A/SN74LV594A-Q1 Serial Shift Registers
Texas Instruments SN74LV594A/SN74LV594A-Q1 8-Bit Parallel-Out Serial Shift Registers are designed for 2V to 5.5V VCC operation. The SN74LV594A-Q1 is AEC-Q100 qualified for automotive applications and is available in a wettable flank QFN (WBQB) package. The TI SN74LV594A/-Q1 provides direct overriding that clears on shift and storage registers.Features
- AEC-Q100 qualified for automotive applications (SN74LV594A-Q1):
- Device temperature grade 1 at –40°C to +125°C, TA
- Device HBM ESD Classification Level 2
- Device CDM ESD Classification Level C6
- Available in wettable flank QFN (WBQB) package
- 2V to 5.5V VCC operation
- Maximum tpd of 6.5ns at 5V
- Typical VOLP (output ground bounce) <0.8V at VCC = 3.3V, TA = 25°C
- Support mixed-mode voltage operation on all ports
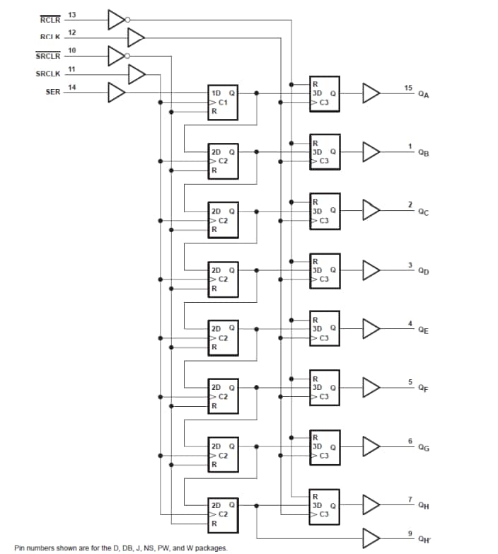
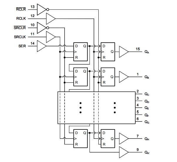
- 8-bit serial-in, parallel-out shift registers with storage
- Independent direct overriding clears on shift and storage registers
- Independent clocks for shift and storage registers
- Latch-up performance exceeds 100mA per JESD 78, Class II
Applications
- Output expansion
- LED matrix control
- 7-segment display control
- ECG electrocardiograms
- Storage servers
- EPOS, ECR, and cash drawers
- Servers and high-performance computing
Datasheets
SN74LV594A Logic Diagram (Positive Logic)
SN74LV594A-Q1 Logic Diagram (Positive Logic)
Publicado: 2023-01-16
| Actualizado: 2025-07-03
