Texas Instruments SN74AHCT594/SN74AHCT594-Q1 8-Bit Shift Registers

Texas Instruments SN74AHCT594/SN74AHCT594-Q1 8-Bit Shift Registers contain an 8-bit serial-in, parallel-out shift register that feeds an 8-bit D-type storage register. The shift and storage registers provide separate clocks and direct overriding clear (SRCLR, RCLR) inputs. A serial (QH) output is provided for cascading purposes. The Texas Instruments SN74AHCT594-Q1 devices are AEC-Q100 qualified for automotive applications.

Features

  • Inputs are TTL-voltage compatible
  • 8-bit serial-in, parallel-out shift registers with storage
  • Independent direct overriding clears on shift and storage registers
  • Independent clocks for both shift and storage registers
  • Latch-up performance exceeds 100mA per JESD, 78 class II
  • ESD protection exceeds JESD 22
    • ±3500V human-body model
    • ±200V machine model

Applications

  • Network switches
  • Power infrastructure
  • PCs, notebooks
  • Health and fitness, wearables
  • Tests and measurements

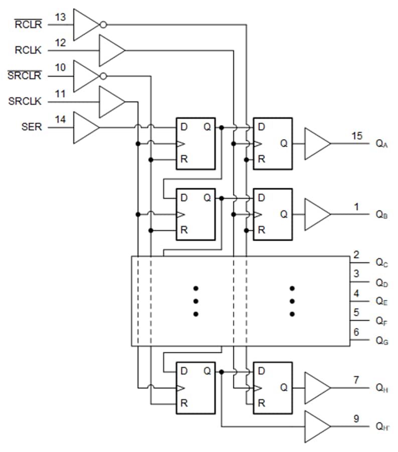
Logic Diagram (Positive Logic)

Block Diagram - Texas Instruments SN74AHCT594/SN74AHCT594-Q1 8-Bit Shift Registers
Publicado: 2024-04-24 | Actualizado: 2025-06-06