Texas Instruments INA317 Instrumentation Amplifier
Texas Instruments INA317 Instrumentation Amplifier is a low-power, precision instrumentation amplifier offering excellent accuracy. The versatile 3-operational amplifier design, small size, and low power make the INA317 usable in many portable applications. A single external resistor sets any gain from 1 to 1000, as defined by the industry-standard gain equation: G = 1 + (100kΩ / RG). The instrumentation amplifier provides low offset voltage (75µV, G ≥ 100), excellent offset voltage drift (0.3µV/°C, G ≥ 100), and high common-mode rejection (100dB at G ≥ 10). The INA317 operates with power supplies as low as 1.8V (±0.9V) and a quiescent current of 50µA, making the device usable in battery-operated systems. The Texas Instruments INA317 offers low noise density (50nV/√Hz) that extends down to DC using auto-calibration techniques to ensure precision over the extended industrial temperature range.Features
- 75µV (Maximum), G ≥ 100 low offset voltage
- 0.3µV/°C, G ≥ 100 low drift
- 50nV/√Hz, G ≥ 100 low noise
- 100dB (Minimum), G ≥ 10 high CMRR
- 200pA (Maximum) low input bias current
- 1.8V to 5.5V supply range
- Input voltage - (V–) 0.1V to (V+) –0.1V
- Output range - (V–) 0.05V to (V+) –0.05V
- 50µA low quiescent current
- –40°C to +125°C operating temperature
- RFI filtered inputs
- 8-pin VSSOP package
Applications
- Bridge amplifiers
- ECG amplifiers
- Pressure sensors
- Medical instrumentation
- Portable instrumentation
- Weigh scales
- Thermocouple amplifiers
- RTD sensor amplifiers
- Data acquisition
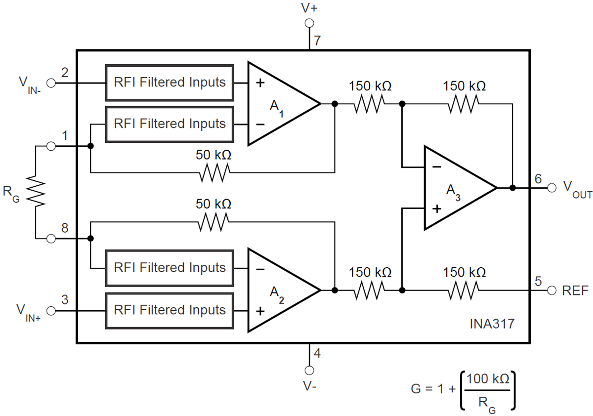
Functional Block Diagram
Publicado: 2018-05-14
| Actualizado: 2023-01-03
