Texas Instruments INA301/-Q1 Zero-Drift Current-Shunt Monitors
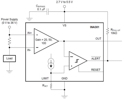
Texas Instruments INA301/INA301-Q1 Zero-Drift Voltage-Output Current-Shunt Monitors include both a high common-mode, current-sensing amplifier, and a high-speed comparator. These are configured to detect overcurrent conditions by measuring the voltage developed across a current-sensing or a current-shunt resistor and comparing that voltage to a defined threshold limit. The device features an adjustable limit threshold range that is set using a single external limit-setting resistor. This current-shunt monitor can measure differential voltage signals on common-mode voltages that vary from 0V to 36V, independent of the supply voltage. Texas Instruments INA301-Q1 devices are AEC-Q100 qualified for automotive applications.Features
- 0V to 36V wide common-mode input range
- High accuracy amplifier
- 35µV (max) offset voltage
- 0.5µV/°C (max) offset voltage drift
- 0.1% (max) gain error
- 10ppm/°C gain error drift
- Available amplifier gains
- INA301A1: 20V/V
- INA301A2: 50V/V
- INA301A3: 100V/V
- Dual output (amplifier and comparator output)
- The programmable alert threshold set through a single resistor
- 1µs total alert response time
- Open-drain output with latching mode
- VSSOP-8 package
Applications
- Overcurrent protection
- Power-supply protection
- Circuit breakers
- Computers and servers
- Telecom equipment
- Battery management
Datasheets
Functional Block Diagram
Publicado: 2016-05-04
| Actualizado: 2022-03-11
