Texas Instruments INA300/INA300-Q1 Current-Sense Comparator

Texas Instruments INA300/INA300-Q1 High- or Low-Side Current-Sense Comparator is a high common-mode, current-sensing comparator that is configured to detect overcurrent conditions through measuring the voltage developed across a current sensing or shunt resistor. The device can measure this differential voltage signal on common-mode voltages that can vary from 0V up to 36V, independent of the supply voltage. The device features an adjustable threshold range that is set using a single external limit-setting resistor. A selectable hysteresis feature enables adjustable operation of the comparator to accommodate the wide input signal range of 0mV to 250mV. The INA300-Q1 devices are AEC-Q100 qualified for automotive applications.

Features

  • Wide Common-Mode Range: 0V to 36V
  • Selectable Response Times:
    • 10μs, 50μs, 100μs
  • Programmable Threshold:
    • Adjustable Using a Single Resistor
    • Programmable from 0mV to 250mV
  • Accuracy:
    • Offset Voltage: ±500μV (Max)
    • Offset Voltage Drift: 0.5μV/°C (Max)
  • Selectable Hysteresis:
    • 2mV, 4mV, 8mV
    • Active Quiescent Current: 135μA (Max)
  • Selectable Disable Mode:
    • Disabled Quiescent Current: 3.5μA (Max)
    • Disabled Input Bias Current: 500nA (Max)
  • Open-Drain Output with Latch Mode Available
  • Package Options
    • WSON-10
    • VSSOP-10

Applications

  • Overcurrent Protection
  • Computers
  • Servers
  • Telecom Equipment
  • Power Supplies
  • Battery Chargers

Block Diagram

Block Diagram - Texas Instruments INA300/INA300-Q1 Current-Sense Comparator

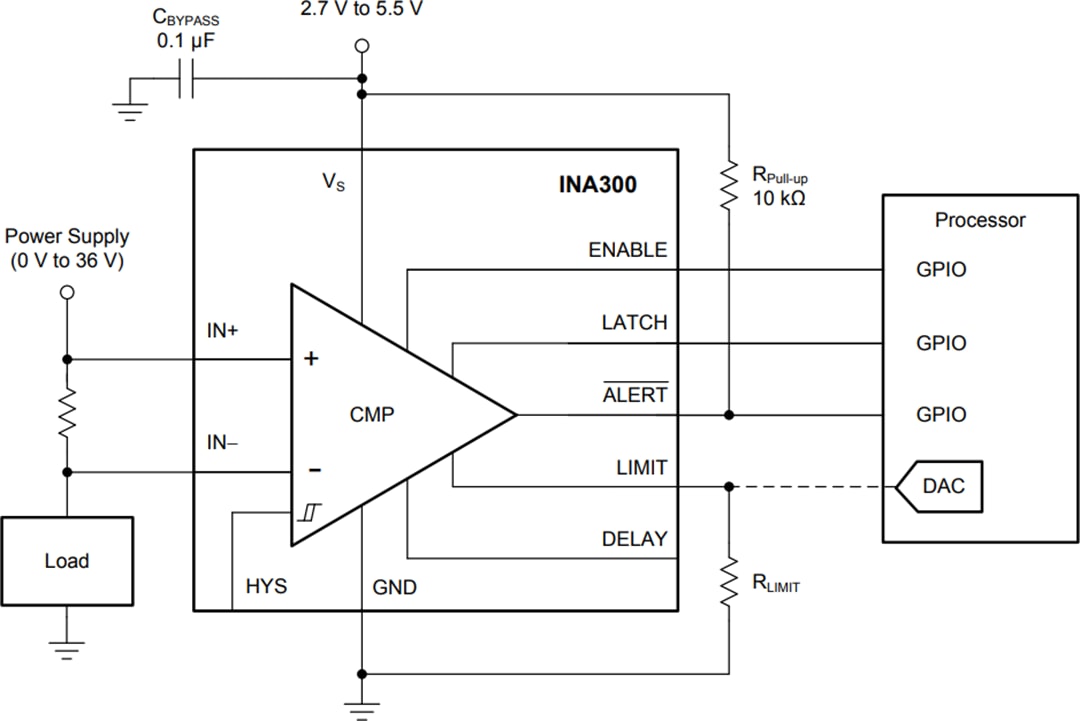
Typical Application Circuit

Application Circuit Diagram - Texas Instruments INA300/INA300-Q1 Current-Sense Comparator
Publicado: 2014-06-24 | Actualizado: 2023-11-08