Texas Instruments DAC38RFxx 14-bit 9GSPS DACs

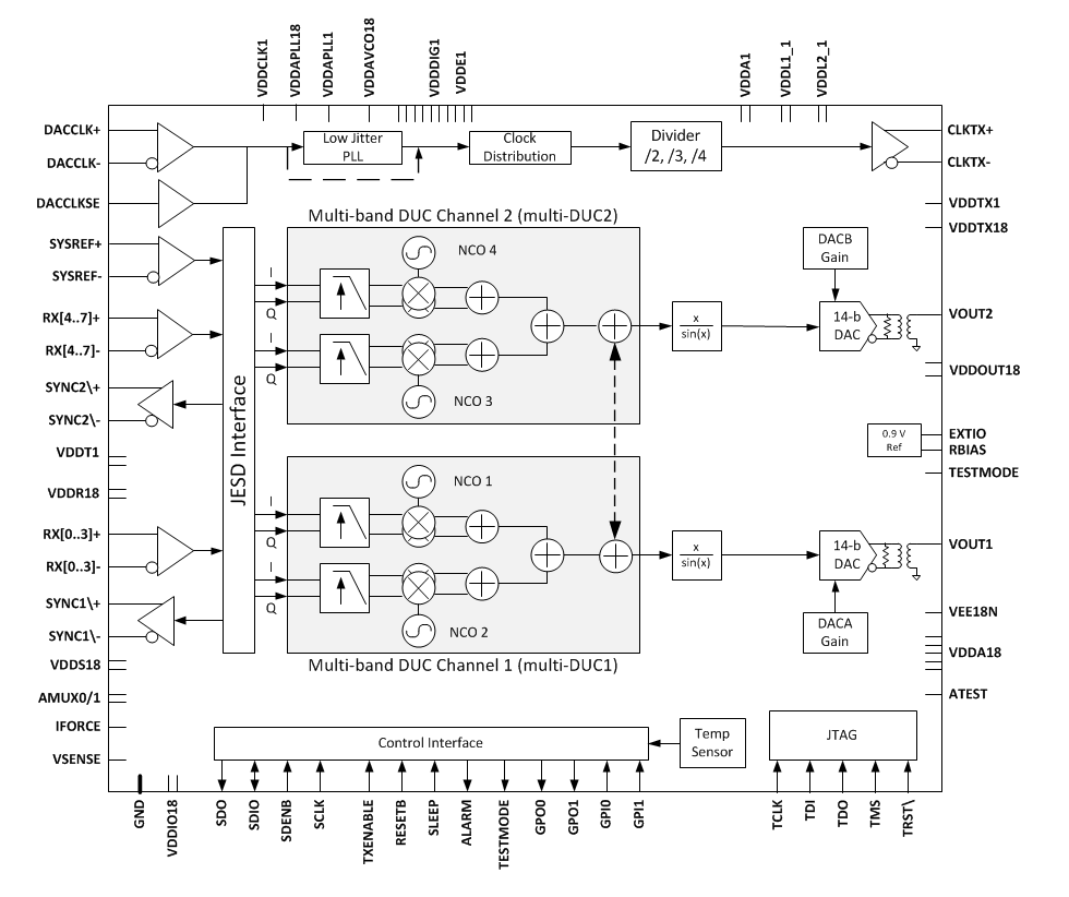
Texas Instruments DAC38RFxx 14-bit 9GSPS Digital-to-Analog Converters (DACs) can synthesize wideband signals from 0 to 4.5GHz. A high dynamic range allows the DAC38RFxx to generate signals for many applications, including 3G/4G signals for wireless base stations. These devices feature a low-power JESD204B Interface with up to 8 lanes. The devices also provide a maximum bit rate and input data rate of 12.5Gbps and 1.25GSPS complex per channel. The Texas Instruments DAC38RFxx provides two digital up-converters per channel, with multiple options for interpolation rates. A digital quadrature modulator with independent, frequency flexible NCOs is available to support multi-band operation. An optional low-jitter PLL/VCO simplifies the DAC sampling clock generation by allowing the use of a lower frequency reference clock.

Features

  • 14-bit resolution
  • Maximum DAC sample rate: 9GSPS
  • Key specifications:
    • RF full-scale output power at 2.1GHz:
      • DAC38RF80/90/84: 0dBm
      • DAC38RF83/93/85: 3dBm (with 2:1 balun)
    • Spectral performance (on-chip PLL, DIFF):
      • fDAC = 5898.24MSPS, fOUT = 2.14GHz
        • WCDMA ACLR: 75dBc
        • WCDMA alt-ACLR: 77dBc
      • fDAC = 8847.36MSPS, fOUT = 3.7GHz
        • 20 MHz LTE ACLR: 63dBc
      • fDAC = 9GSPS, fOUT = 1.8GHz
        • IMD3 = 70dBc (–6dBFS, 10MHz tone spacing)
        • NSD = –157dBc/Hz
  • Dual-band digital up-converter per DAC
    • 6, 8, 10, 12, 16, 18, 20 or 24x interpolation
    • 4 independent NCOs with 48-bit resolution
  • JESD204B interface, Subclass 1
    • Support for multichip synchronization
    • Maximum lane rate: 12.5Gbps
  • Single-ended output with integrated balun (DAC38RF80/90/84) covering 700MHz to 3800MHz
  • Internal PLL and VCO with bypass
    • fC(VCO) = 5.9 or 8.9GHz
  • Power dissipation: 1.4 to 2.2W/ch
  • Power supplies: –1.8V, 1V, 1.8V
  • Package: 10 x 10mm BGA, 0.8mm pitch, 144-balls

Applications

  • Wireless communications
  • Communications test equipment
  • Arbitrary waveform generators
  • Military software-defined radios
  • Radar and Satellite Communications (SATCOM)

Block Diagram

Block Diagram - Texas Instruments DAC38RFxx 14-bit 9GSPS DACs
Publicado: 2017-04-17 | Actualizado: 2022-04-25