Texas Instruments AFE4950 Integrated Analog Front-End (AFE)

Texas Instruments AFE4950 Integrated Analog Front-End (AFE) is for the synchronized signal acquisition of PPG and ECG signals. The Texas Instruments AFE4950 can also be used for optical bio-sensing applications, such as heart-rate monitoring (HRM) and saturation of peripheral capillary oxygen (SpO2). The ECG signal chain supports 2- and 3-electrode configurations and has an integrated Right leg drive (RLD) buffer. The ECG signal chain can also be used for continuous, low-power monitoring of the impedance between electrodes.

Features

  • Supports simultaneous and synchronized acquisition of up to 24 PPG and a single-lead ECG signal
  • Flexible allocation of eight LEDs, four PDs in each phase
  • ECG signal chain
    • 1-lead ECG signal acquisition up to 2kHz
    • RLD output to drive a third electrode
    • 0.7µVrms input noise
    • Supports up to +/- 0.65V differential DC offset and +/-0.55V common-mode range
    • Programmable INA gain (11, 21)
    • A high-pass filter with quick saturation recovery
    • Integrated 300Hz anti-aliasing low pass filter
    • 2.6nA to 85nA AC, DC lead-off detect
    • Low-power continuous lead-on detection
  • Impedance signal chain
    • Continuous low-power monitoring of impedance between 2 electrodes
    • 7MΩ range
    • 300Ω noise on 620kΩ
  • PPG Transmitter
    • 8-bit Programmable LED current with range adjustable from 25mA to 250mA
    • Mode to fire two LEDs in parallel
    • Support of eight LEDs in common anode configuration for SpO2, multi-wavelength HRM
  • PPG Receiver
    • Two parallel receivers (two sets of TIA/ filter)
    • Supports four time-multiplexed photodiode inputs to each receiver
    • 8-bit ambient offset subtraction at each TIA input with 256µA range
    • 8-bit LED offset subtraction DAC with 64µA range
    • Automatic ambient cancellation and dynamic LED DC cancellation at TIA input
    • Ambient rejection close to 100 dB up to 10Hz
    • Noise filtering with programmable bandwidth
    • 3.7kΩ to 1MΩ trans-impedance gain 
  • Accurate, continuous heart-rate monitoring
    • System SNR up to 109dB at 16µA PD current
    • Low current for continuous operation on a wearable device with a typical value (15µA for an LED, 20µA for the receiver)
  • External clock and internal oscillator modes
  • Acquire data synchronized with the system master clock
  • FIFO with 256-sample depth
  • SPI, I2C interfaces (selectable by pin)
  • 2.6mm × 2.5mm DSBGA, 0.4mm pitch
  • Supplies (Rx:1.7-1.9V (LDO bypass); 1.9-3.6V (LDO enabled), Tx:3-5.5V, IO:1.7-RX_SUP)

Applications

  • Optical Heart-Rate Monitoring (HRM) for wearables, hearables
  • High-performance ECG signal acquisition
  • Synchronized PPG, and ECG for BP estimation
  • Heart-rate variability (HRV)
  • Pulse oximetry (SpO2) measurements

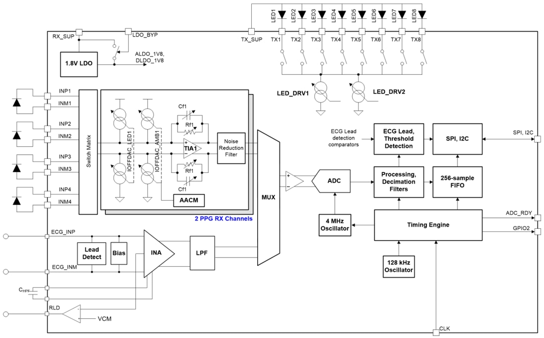
Simplified Schematic

Schematic - Texas Instruments AFE4950 Integrated Analog Front-End (AFE)
Publicado: 2020-12-02 | Actualizado: 2024-10-08