Taiwan Semiconductor PUAD Ultra Fast Surface Mount Rectifiers

Taiwan Semiconductors PUAD Ultra Fast Surface Mount Rectifiers feature low power loss and 100V to 200V repetitive peak reverse voltage (VRRM). These rectifiers feature planar technology and high efficiency and are ideal for automated placement. The PUAD ultra-fast surface mount rectifiers offer moisture sensitivity level: level 1, per J-STD-020 and UL 94V-0 flammability rating. These rectifiers are RoHS-compliant and halogen-free. The PUAD ultra-fast surface mount rectifiers operate at -55°C to 175°C junction temperature range and are available in the ThinDPAK package. These rectifiers are ideally used in high-frequency switching, DC/DC, and snubber applications.

Features

  • Planar technology
  • Low power loss and high efficiency
  • Ideal for automated placement
  • Moisture sensitivity level 1, per J-STD-020
  • RoHS-compliant
  • Halogen-free

Specifications

  • -55°C to 175°C junction and storage temperature range
  • 100V to 200V repetitive peak reverse voltage (VRRM)

Applications

  • High-frequency switching
  • DC/DC
  • Snubber

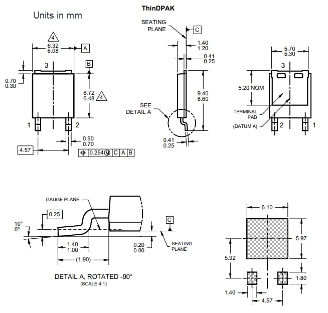
Package Outline Dimensions (ThinDPAK)

Mechanical Drawing - Taiwan Semiconductor PUAD Ultra Fast Surface Mount Rectifiers
View Results ( 24 ) Page
N.º de artículo Hoja de datos Vr - Tensión inversa If - Corriente directa Vf - Tensión directa Sobrecorriente máx. Ir - Corriente inversa Tiempo de recuperación
PUAD6JH PUAD6JH Hoja de datos 600 V 6 A 1.43 V 170 A 2 uA 25 ns
PUAD10BC PUAD10BC Hoja de datos
PUAD8BC PUAD8BC Hoja de datos
PUAD8DC PUAD8DC Hoja de datos
PUAD10BCH PUAD10BCH Hoja de datos 100 V 10 A 880 mV 130 A 2 uA 20 ns
PUAD10DC PUAD10DC Hoja de datos
PUAD4B PUAD4B Hoja de datos
PUAD4D PUAD4D Hoja de datos
PUAD4DH PUAD4DH Hoja de datos 200 V 4 A 850 mV 130 A 2 uA 20 ns
PUAD6BC PUAD6BC Hoja de datos
Publicado: 2023-03-29 | Actualizado: 2024-02-07