STMicroelectronics STEVAL-MIC003V1 Daughterboard

STMicroelectronics STEVAL-MIC003V1 Daughterboard is designed to be used in conjunction with the X-NUCLEO-CCA02M1 expansion board. It features 4 x IMP34DT05 top-port digital MEMS microphones and a PDM single-bit output. The ST STEVAL-MIC003V1 daughterboard includes omnidirectional sensitivity and a 122.5dBSPL acoustic overload point. It operates at a 1.6V to 3.2V supply voltage range.

Features

  • PDM single-bit output
  • RoHS compliant
  • Daughterboard to be used with X-NUCLEO-CCA02M1
  • Omnidirectional sensitivity
  • 4 x IMP34DT05 top port digital MEMS microphone

Specifications

  • 1.6V to 3.6V supply voltage range
  • 64dB of SNR
  • 122.5dBSPL acoustic overload point
  • -26bBFS ±3dB sensitivity

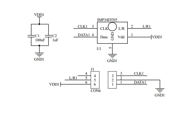
Circuit Schematic

Schematic - STMicroelectronics STEVAL-MIC003V1 Daughterboard
Publicado: 2020-08-26 | Actualizado: 2025-01-13