STMicroelectronics STEVAL-ISA183V1 Evaluation Board

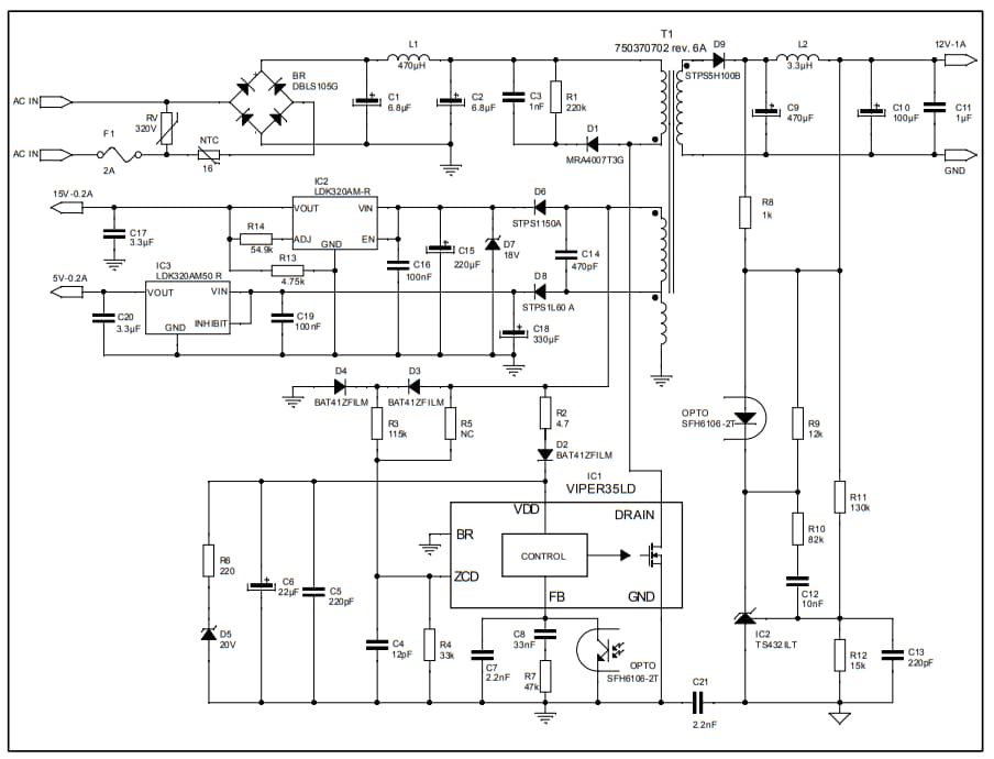
STMicroelectronics STEVAL-ISA183V1 Evaluation Board uses a 16W triple output power supply designed in quasi-resonant flyback topology designed as an auxiliary PSU for air conditioning applications. The STEVAL-ISA183V1 uses the VIPer35LD high voltage converter from the VIPerPlus product family. The converter integrates an 800V rugged power MOSFET with a quasi-resonant PWM current-mode control.

Specifications

  • Triple output voltages:
    • 12V/1A (isolated), 15V/200mA (non-isolated), and 5V/200mA (non-isolated)
  • High performance at low load conditions:
    • <50mW at no-load condition
    • <1.5W input power at minimum operative output power (0.91W)
  • 175VAC to 275VAC main input voltage range
  • >81% efficiency at full load
  • EN55022-Class-B EMI
  • RoHS compliant

STEVAL-ISA183V1 Schematic

Schematic - STMicroelectronics STEVAL-ISA183V1 Evaluation Board
Publicado: 2017-06-16 | Actualizado: 2022-06-13