STMicroelectronics L9907 Automotive FET Drivers

STMicroelectronics L9907 Automotive FET Drivers are smart power devices with advanced BCD-6s technology. The L9907 can drive all PowerMOS transistors for 3-phase BLDC motor applications. The circuit is suitable to operate in environments with high supply voltage like a double battery. Supply-related pins are capable of withstanding up to 90V and the device can control the six pre-driver channels independently.

Features

  • Supply voltage from 6V to 54V for working in single (12V systems), double (24V systems), and 48V battery applications
  • The device can withstand -7V to 90V at the FET high-side driver pins
  • 2-differential current sense amplifiers:
    • Output offset selectable via SPI (0.2*VCC offset for ground shunt resistors connection, 0.5*VCC offset for phase shunt resistors connection)
    • All the amplifier gain factors are programmable (10, 30, 50, 100)
  • AEC-Q100 qualified
  • Input pin for each gate driver
  • Low standby current consumption
  • 3.3V internal regulator supplied by VCC pin
  • Boost regulator for full Rdson down to 6V and overvoltage protection
  • 3 low-side + 3 high-side drivers:
    • PWM operation up to 20kHz
    • Gate driver current adjustable via SPI in 4 steps. Range set via an external resistor. Maximum gate-controlled current 600mA
    • Source connection to each MOSFET

Videos

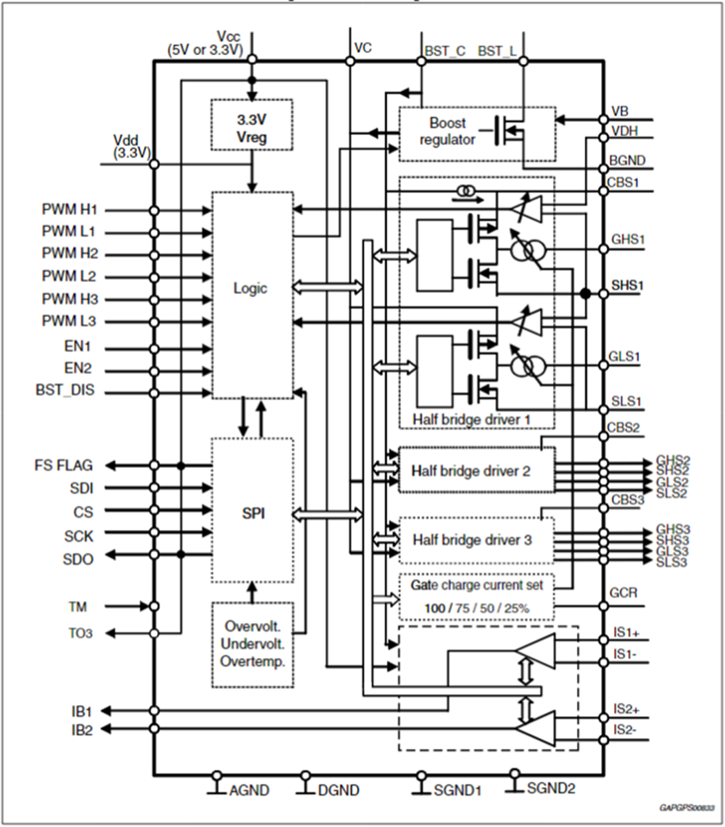
Block Diagram

Block Diagram - STMicroelectronics L9907 Automotive FET Drivers

Dimensions

Mechanical Drawing - STMicroelectronics L9907 Automotive FET Drivers
Publicado: 2017-06-07 | Actualizado: 2022-05-31