STMicroelectronics L5987 Buck Regulators
STMicroelectronics L5987 3A Buck Regulators deliver 3A in tiny 3x3mm and HSOP8 packages. These compact, flexible DC-DC converters feature an input voltage range of 2.9V to 18V and an output voltage adjustable from 0.6V. The L5987 buck regulator family also offers internal soft-start and 250kHz switching frequency programmable up to 1MHz. The L5987 buck regulator family is designed for a wide range of applications, including consumer, networking, computer peripherals, industrial, and factory automation.Features
- 3ADC output current
- 2.9V to 18V input voltage
- Output voltage adjustable from 0.6V
- 250kHz switching frequency and programmable up to 1MHz
- Internal soft-start and inhibit
- 100% duty cycle low dropout operation
- Voltage feedforward
- Zero load current operation
- Overcurrent and thermal protection
- VFQFPN 3x3-8L and HSOP8 package
Applications
- Consumer:
- STB, DVD, DVD recorder, car audio, LCD TV, and monitors
- Industrial:
- PLD, PLA, FPGA, and chargers
- Networking:
- XDSL, modems, and DC-DC modules
- Computer:
- Optical storage, hard disk drive, printers, and audio/graphic cards
- LED driving
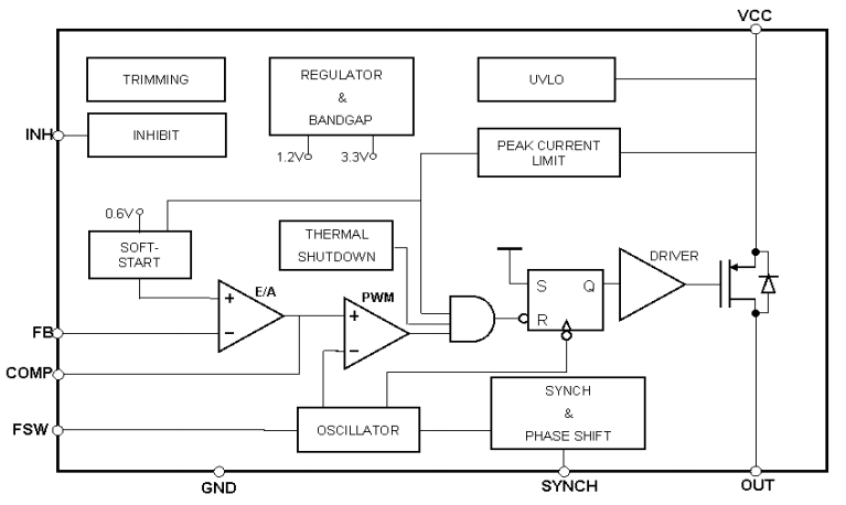
L5987 Block Diagram
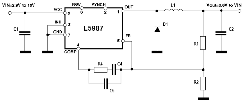
L5987 Application Circuit
Publicado: 2009-11-13
| Actualizado: 2024-03-26
