STMicroelectronics ACEPACK™ IGBT Modules
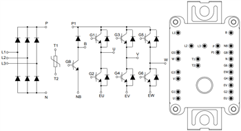
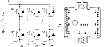
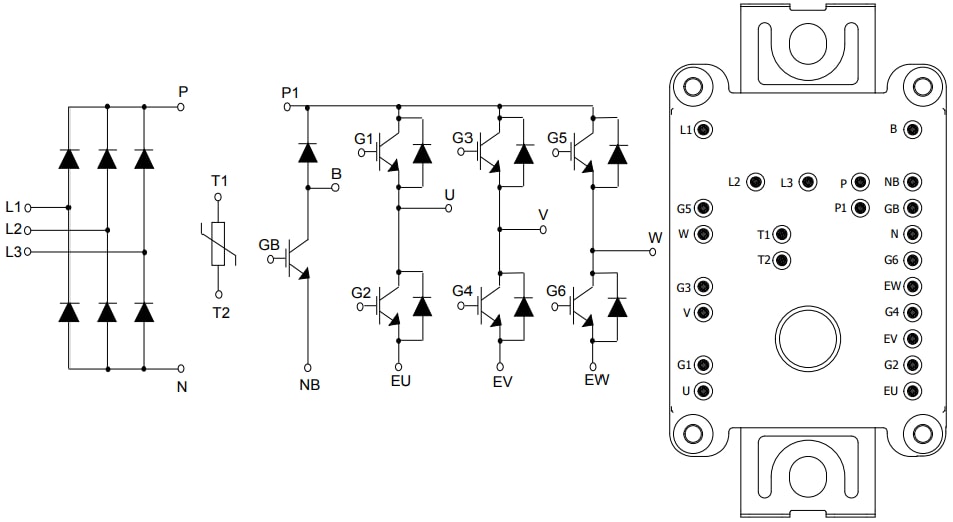
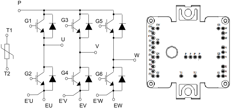
STMicroelectronics ACEPACK™ IGBT Modules are a family of new plastic power modules developed to address power management solutions and industrial applications. The ACEPACK™ 1 and ACEPACK™ 2 packages are introduced with both Converter Inverter Brake (CIB) and six-pack topologies that integrate the advanced trench-gate field-stop technologies. These ACEPACK IGBT-modules feature ACEPACK 1 or ACEPACK 2 power modules, integrated Negative Temperature Coefficient (NTC), and CIB or six-pack topology. These modules cover the appropriate use of the new IGBT-technology by representing the best compromise between conduction and switching-loss to maximize efficiency by 20kHz. These IGBT modules are ideal for application in industrial motor drives, solar panels, welding, and inverters.Features
- Direct Bonded Copper (DBC) Cu Al2O3 Cu
- Converter Inverter Brake (CIB) topology:
- 1600V blocking voltage
- 1200V, 25A IGBTs and diodes
- 1.95VCE(sat) @ IC=25A
- Soft and fast recovery diode
- Sixpack topology:
- 1200V, 35A IGBTs and diodes
- 1.95VCE(sat) @ IC=35A
- Soft and fast recovery diode
- Integrated NTC
Applications
- Inverters
- Motor drives
- Solar panels
- Welding
Videos
Publicado: 2018-01-02
| Actualizado: 2023-01-31
