Analog Devices Inc. EVAL-ADXL314Z Evaluation Board
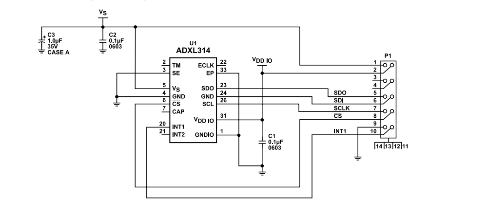
Analog Devices Inc. EVAL-ADXL314Z Evaluation Board is designed to quickly and easily demonstrate the ADXL314 3-axis digital accelerometer. The digital data output is formatted as 16-bit, twos complement and is accessible via a serial peripheral interface (SPI), 3-wire or 4-wire, or an I2C digital interface.The ADI EVAL-ADXL314Z evaluation board is ideal for evaluating the ADXL314 in an existing system. The stiffness and the small size of the EVAL-ADXL314Z minimize the effect of the board on both the system and acceleration measurements.
Features
- 2 sets of spaced vias for a population of 5-pin headers
- Easily attached to prototyping board or PCB
- Small size and board stiffness minimize the impact on the system and acceleration measurement
Kit Contents
- EVAL-ADXL314Z evaluation board
- 10-pin Harwin connector, M80-8541042
Layout
Schematic
Publicado: 2022-10-24
| Actualizado: 2022-10-27
