Schurter 3-Phase DIN Rail AC/DC Filters

Schurter 3-Phase DIN Rail AC/DC Filters feature 1-stage standard line filters for 3-phase systems. The filters are available in standard or high-attenuation (HP) filter variants with a metal base plate for optimum ground connection to the rail. The filters provide a slim housing with snap-on DIN rail mounting, designed for a 3A to 32A rated current range. The Schurter 3-Phase DIN Rail AC/DC Filters are ideal for industrial and machine control systems, including laboratory, telecommunication, and IT equipment.

Features

  • 1-stage filter for 3-phase systems
  • Line filter (standard)
  • Standard or HP filter variants
  • Slim housing with snap-on DIN rail mounting
  • Metal base plate for optimum ground connection to rail

Applications

  • 3-phase industrial applications
  • Control cabinets
  • Machine control systems
  • Inverters
  • Switching power supplies
  • IEC/UL 62368-1 compliant equipment

Specifications

  • 3A to 32A rated current range
  • 300VAC to 520VAC rated voltage range at 50/60Hz
  • >2.25kVDC dielectric strength between L-L
  • 2.25kVDC dielectric strength between L-PE
  • Screw-clamp terminals
  • -40°C to +100°C operating temperature range

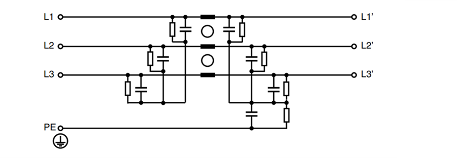
Schematic

Schematic - Schurter 3-Phase DIN Rail AC/DC Filters

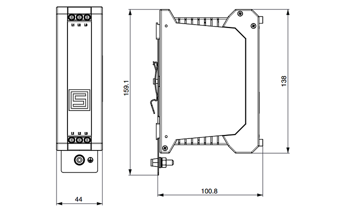
Dimensions (mm)

Chart - Schurter 3-Phase DIN Rail AC/DC Filters
Publicado: 2024-08-26 | Actualizado: 2024-09-04