ROHM Semiconductor BD83816EFV-M 16ch LED Driver IC
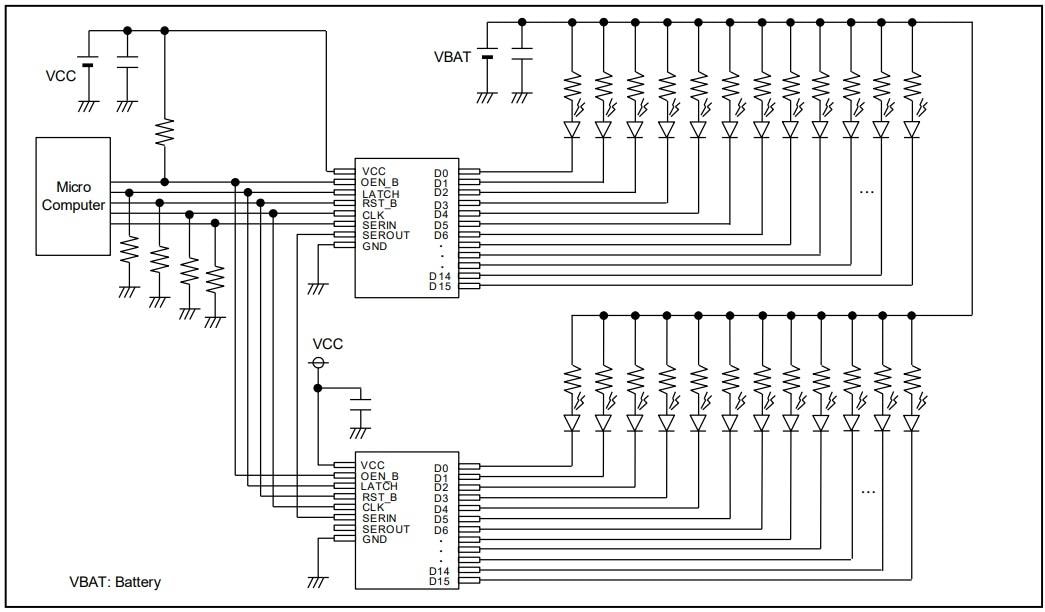
ROHM Semiconductor BD83816EFV-M 16 channel LED Driver IC is a serial-in parallel-out controlled LED driver with a 35V output voltage rating. This AEC-Q100 qualified LED driver, with the input of 3-line serial data, turns the 16-channel open drain output on/off. The BD83816EFV-M Driver IC features a 3V to 5.5V input voltage range, internal 16-channel power transistor, and open drain output in an HTSSOP-B24 package. This device is cascade connection compatible and offers a 20V/µs output slew rate. The BD83816EFV-M 16-channel LED driver is optimal for small spaces and is well-suited for indicators of cluster panels and automotive applications.Features
- AEC-Q100 qualified (Grade 1)
- Open drain output
- 3-line serial control + Enable signal
- Cascade connection compatible
- HTSSOP-B24 package
- Internal 16-channel power transistor
- 20V/μs output slew rate (typical - for low EMC noise)
Applications
- Indicators of the cluster panels
- Automotive
BLOCK DIAGRAM
Typical Application Circuit
Publicado: 2024-01-18
| Actualizado: 2024-04-30
