Renesas Electronics ISL6144 High Voltage ORing MOSFET Controllers

Renesas Electronics ISL6144 High Voltage ORing MOSFET Controllers and N-channel power MOSFETs increase the power distribution efficiency and availability. This happens when replacing a power ORing diode in high current applications. These controllers operate between 9V to 75V supply voltage range. The ISL6144 controllers with High Speed (HS) comparator provide very fast <0.3µs response time to dead shorts on sourcing supply. These MOSFET controllers come in a QFN package and are RoHS compliant. Applications include file and network servers (12V and 48V), telecom/datacom systems, N + 1 redundant distributed power systems, and ORing MOSFET control in power distribution systems.

Features

  • 9V to 75V wide supply voltage range
  • 100V transient rating
  • Reverse current fault isolation
  • Internal charge pump allows the use of N-channel MOSFET
  • HS comparator provides very fast <0.3µs response time to dead shorts on sourcing supply
  • HS comparator also comes with resistor-adjustable trip level
  • HR amplifier allows quiet, <100µs MOSFET turn-off for power supply slow shut down
  • Open drain, active low fault output with 120µs delay
  • Provided in packages compliant to UL60950 (UL1950) creepage requirements
  • QFN package:
    • Compliant to JEDEC PUB95 MO-220
    • QFN - quad flat no leads package outline
  • Near chip scale package footprint, which improves PCB efficiency and has a thinner profile
  • Pb-free (RoHS compliant)

Applications

  • ORing MOSFET control in power distribution systems
  • N + 1 redundant distributed power systems
  • File and network servers (12V and 48V)
  • Telecom/datacom systems

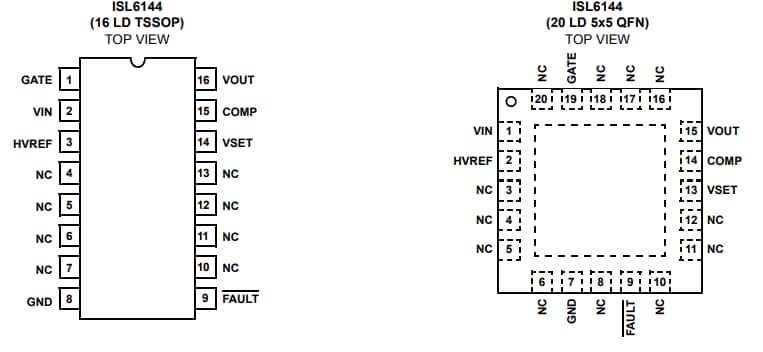
Pinout Diagram

Renesas Electronics ISL6144 High Voltage ORing MOSFET Controllers
Publicado: 2020-10-15 | Actualizado: 2022-03-11