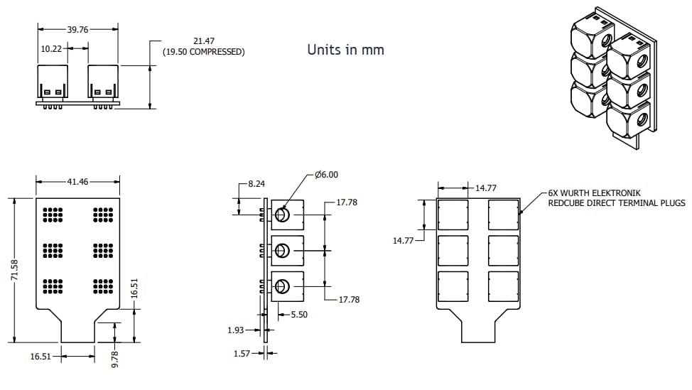
LoadSlammer 360A DC PTO Narrow Connector
LoadSlammer 360A DC Power Take-Off Board (PTO) Narrow Connector soldered directly on a motherboard to load systems that do not have easily accessible locations to attach wires directly. The 360A DC power take-off board narrow connector features 4oz copper and convenient Wurth RedCube connectors allowing heavy-duty cables to be connected easily and quickly. Three pairs of connectors from the test board to a lab bench load enable 360A of continuous current to be connected and loaded. The cables exit horizontally from the PTO board 1.Features
- 4oz copper and convenient Wurth RedCube connectors
- 360A of continuous current to be connected and loaded from a test board to a lab bench load
Dimension Diagram
Videos
Publicado: 2023-03-20
| Actualizado: 2023-06-20
