PANJIT MERx 200V Super Fast Recovery Rectifiers

PANJIT MERx 200V Super Fast Recovery Rectifiers offer low forward voltage, high current capability, and low leakage. The MERx Rectifiers feature a unique epitaxial construction and a maximum reverse recovery time of 35ns. These devices have a 200V maximum repetitive peak reverse voltage, a 140V maximum RMS voltage, and a 2A to 3A maximum average forward current.

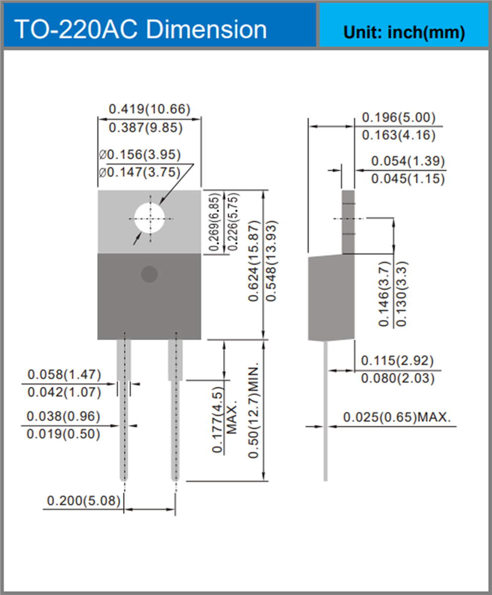
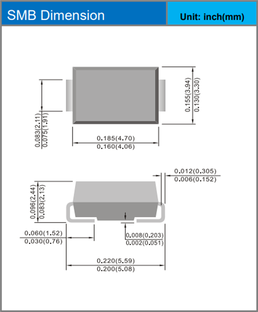
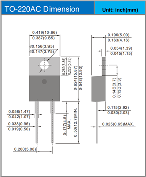
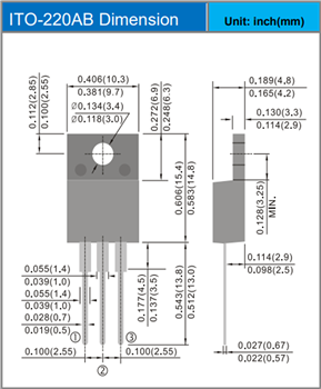
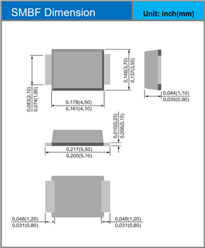
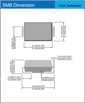
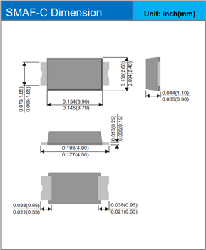
The PANJIT MERx 200V Super Fast Recovery Rectifiers are offered in surface-mount SMA, SMAF-C, SMB, SMBF, and SOD-123HE and in through-hole ITO-220AB and TO-220AC packages.

Features

  • Superfast recovery times, 35ns maximum
  • Epitaxial construction
  • 200V maximum repetitive peak reverse voltage (VRRM)
  • 140V maximum RMS voltage (VRMS)
  • 200V maximum DC blocking voltage (VDC)
  • 2A to 3A maximum average forward current (IF(AV)
  • Low forward voltage (VF)
  • High current capability
  • Low leakage
  • Plastic package has Underwriters Laboratory Flammability Classification 94V-O
  • Lead-free in compliance with EU RoHS 2.0
  • Green molding compound as per IEC 61249 standard
  • Package options
    • Surface-mount: SMA, SMAF-C, SMB, SMBF, SOD-123HE
    • Through-hole: ITO-220AB, TO-220AC

Applications

  • Home appliances
  • PSU for networks
  • PV inverters
  • Data centers
  • PC power
  • UPS
  • Welders
  • Industrial motors

Package Dimensions

Publicado: 2022-07-26 | Actualizado: 2022-07-27