onsemi FL7701MX Low-Power LED Driver

onsemi FL7701MX Low-Power LED Driver is a simple IC with Power Factor Correction (PFC) function. The special "adopted digital" technique of the IC can automatically detect input voltage condition and send an internal reference signal for achieving a high power factor. The FL7701MX driver automatically enables PFC function when an AC input is applied and automatically disables PFC function when DC input is applied. The FL7701MX Low-Power LED driver comes with built-in HV self-biasing supplying circuit. Typical applications include LED lamp for decorative lighting and low-power lighting.

Features

  • Simple IC with digitally implemented active PFC function
  • Built-in HV self-biasing supplying circuit
  • 80VAC to 308VAC application input voltage range
  • AOCP function with auto-restart mode
  • Built-in Over-Temperature Protection (OTP) function
  • Cycle-by-cycle current limit
  • Current-Sense pin open protection
  • 0.85mA (typical) low operating current
  • Under-Voltage Lock-Out (UVLO) with 5V hysteresis
  • Programmable LED current
  • Analog dimming function
  • Soft-Start function
  • ±3% precise internal reference 

Applications

  • LED lamp for decorative lighting
  • LED lamp for low-power lighting

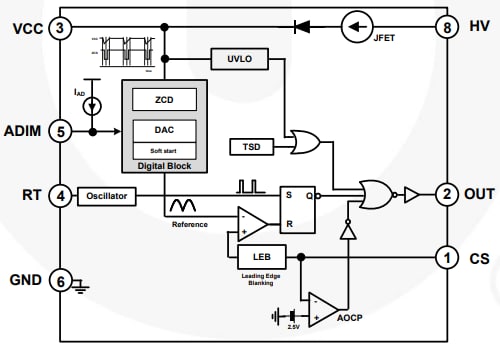
Block Diagram

Block Diagram - onsemi FL7701MX Low-Power LED Driver

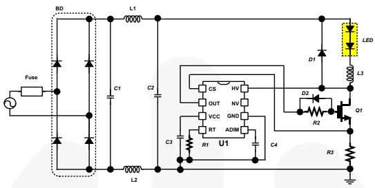
Application Diagram

Application Circuit Diagram - onsemi FL7701MX Low-Power LED Driver
Publicado: 2013-03-19 | Actualizado: 2022-03-11