Nisshinbo R3111 CMOS-Based Voltage Detector ICs

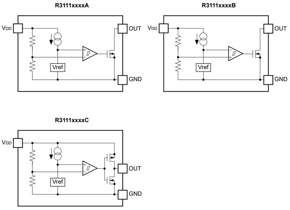
Nisshinbo R3111 CMOS-Based Voltage Detector ICs feature high accuracy in detecting voltage thresholds and exceptionally low power consumption. The Nisshinbo R3111 is primarily used for system resets. Each IC in this series includes a voltage reference unit, a comparator, resistors for setting the detector threshold, an output driver, and a hysteresis circuit. The detector threshold is internally set with high precision and requires no adjustments. There are three available output types: Nch open drain "L" type, Nch open drain "H" type, and CMOS type. Compared to the Rx5VL series, the R3111 Series operates at a lower voltage and can be powered by a single battery. Choose from seven package types: TO-92, SOT-89, SOT-23-3, SOT-23-5, SC-82AB, SC-88A, and SON1612-6.

Features

  • Supply current
    • Typ. 0.8µA (-VDET=1.5V, VDD=-VDET-0.1V)
  • Operating voltage range
    • 0.7V to 10.0V (Ta=25°C)
  • Detector threshold range
    • 0.9V to 6.0V (0.1V steps)
  • Detector threshold accuracy
    • ±2.0%
  • Temperature-drift coefficient of detector threshold
    • Typ. ±100ppm/°C
  • Output types
    • Nch open drain L, Nch open drain H, and CMOS
  • Packages
    • SON1612-6, SC-82AB, SC-88A, SOT-23-3, SOT-23-5, SOT-89, TO-92

Applications

  • CPU and logic circuit reset
  • Battery checker
  • Window comparator
  • Wave shaping circuit
  • Battery back-up circuit
  • Power failure detector

Block Diagram

Nisshinbo R3111 CMOS-Based Voltage Detector ICs
Publicado: 2023-09-26 | Actualizado: 2023-10-18