Nisshinbo R1276S Synchronous Step-Down DC-DC Converter
Nisshinbo R1276S Synchronous Step-Down DC-DC Converter features a built-in transistor and 95% efficiency. Under cranking conditions, the switching frequency of the R1276S is automatically reduced to keep the output voltage level constant. The R1276S DC-DC Converter has a 3.6V to 30.0V input voltage range and a 4.5V start-up voltage. The typical standby current is 4µA. The R1276S ensures low EMI (Electromagnetic Interference) noise by employing a spread spectrum clock generator with a +10% diffusion rate.The Nisshinbo R1276S DC-DC Converter is offered in commercial and automotive variants, with an operating temperature range of -40°C to 105°C (commercial) and -40°C to 125°C (automotive). Both variants are provided in an HSOP-18 package.
Features
- 3.6V to 30.0V input voltage range
- 4.5V start-up voltaage
- 0.7V to 6.5V output voltage range, externally adjustable
- 12µA (typical) supply current (VFM, at no switching)
- 4.5µA (typical) standby current
- 0.64V feedback voltage
- ±1.0% feedback voltage accuracy
- 3A output current
- 0.145Ω high-side transistor ON-resistance
- 0.145Ω low-side transistor ON-resistance
- 250kHz to 1MHz oscillator frequency, adjustable with external resistors
- 95% efficiency
- Soft-start
- Thermal shutdown: Tj = 160°C
- Undervoltage lockout (UVLO): VCC = 3.3V (typical)
- Overvoltage lockout (OVLO): VIN = 35.0V (typical)
- Overvoltage detection (OVD): FB pin voltage (VFB) +10%
- LX current limiting: 4.2A (typical)
- Over-current protection: Hiccup-type
- Operating temperature range
- -40°C to 105°C (commercial)
- -40°C to 125°C (automotive)
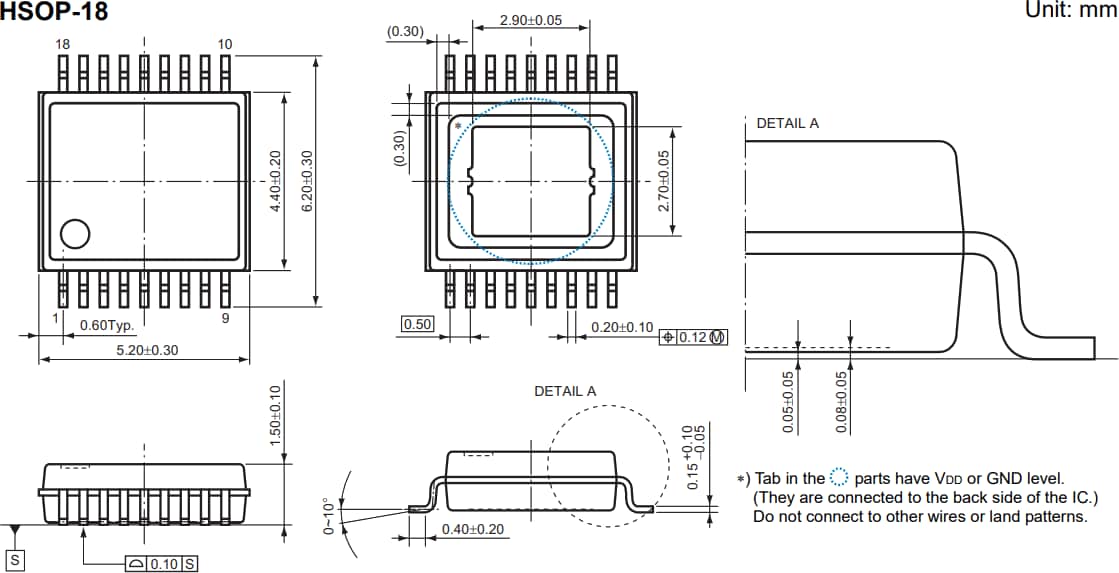
- 5.2mm x 6.2mm x 1.45mm HSOP-18 package
Applications
- Automotive
- Car audio equipment
- Vehicle navigation systems
- Electronic Toll Collection (ETC) systems
- Electric Vehicle (EV) inverters and charge controllers
- Commercial
- Digital electronics
- Portable communication equipment
- Cameras and video cameras
- Office equipment
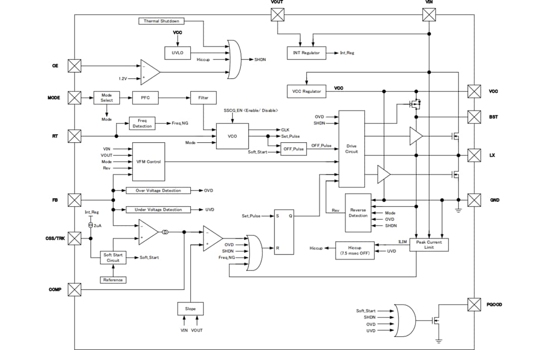
Block Diagram
Package Outline
View Results ( 6 ) Page
| N.º de artículo | Hoja de datos | Descripción |
|---|---|---|
| R1276S001C-E2-KE | ![]() |
Reguladores de voltaje de conmutación 30V, 3A Synchronous Step-down DC/DC Converter for Automotive Applications |
| R1276S001A-E2-FE | ![]() |
Reguladores de voltaje de conmutación 30V, 3A Synchronous Step-down DC/DC Converter |
| R1276S001A-E2-KE | ![]() |
Reguladores de voltaje de conmutación 30V, 3A Synchronous Step-down DC/DC Converter for Automotive Applications |
| R1276S002A-E2-KE | ![]() |
Reguladores de voltaje de conmutación 30V, 3A Synchronous Step-down DC/DC Converter for Automotive Applications |
| R1276S002C-E2-KE | ![]() |
Reguladores de voltaje de conmutación 30V, 3A Synchronous Step-down DC/DC Converter for Automotive Applications |
| R1276S004A-E2-FE | ![]() |
Reguladores de voltaje de conmutación 30V, 3A Synchronous Step-down DC/DC Converter |
Publicado: 2021-01-29
| Actualizado: 2022-03-11

