Nexperia PBSS5350X PNP Bipolar Transistor

Nexperia PBSS5350X PNP Bipolar Transistor is designed with a low collector-emitter saturation voltage (VCEsat) and is housed in a compact SOT89 (SC-62) surface-mounted plastic package. This transistor features high collector current capability and offers high efficiency, leading to less heat generation. The PBSS5350X transistor is AEC-Q101 qualified and is suitable for applications requiring high efficiency and compact PCB layouts. Some of the applications include DC-DC converters, battery chargers, LCD backlighting, and peripheral drivers.

Features

  • Low collector-emitter saturation voltage (VCEsat)
  • High collector current capability (IC = -3A)
  • -50V (VCEO) collector to emitter voltage
  • Higher efficiency leading to less heat generation
  • Reduced printed-circuit board requirements
  • AEC-Q101 qualified
  • -65°C to 150°C storage temperature range
  • SOT89 (SC-62) flat lead Surface-Mounted Device (SMD) plastic package

Applications

  • Power management:
    • DC/DC converters
    • Supply line switching
    • Battery chargers
    • LCD backlighting
  • Peripheral drivers:
    • Drivers in low supply voltage applications (e.g., lamps and LEDs)
    • Inductive load drivers (e.g., relays, buzzers, and motors)

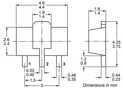
Package Outline

Mechanical Drawing - Nexperia PBSS5350X PNP Bipolar Transistor
Publicado: 2025-09-09 | Actualizado: 2026-02-24