New Energy LED MOD BLOCKS

New Energy MOD BLOCKS are IP67-rated LED modules based on the Cree® Xlamp® XHP (Extreme High Power) family of LEDs. The MOD BLOCKS Feature a robust thermal system, outdoor-rated cabling, and multiple mounting options. Their modular design is engineered to bring high-quality lighting systems to market faster with fewer LEDs, higher reliability, and a lower system cost. Integrating multiple MOD BLOCKS is easy due to their interlocking design.

Features

  • Robust, flexible, and versatile modules engineered for high quality lighting systems
  • Based on Cree Extreme High Power (XHP) LEDs for high lumen output and reliability
  • Integrated heat sink and outdoor rated cabling
  • Self-contained IP67 modules are ideal for outdoor applications or other difficult environments
  • Interlocking design makes it easy to add multiple modules
  • Designed for quick mounting to a housing or bracket
  • Industry leading lumen density and lumens per pound
  • RoHS compliant​

Applications

  • High masts
  • Street lights
  • Stadiums
  • Architectural
  • Canopy
  • Garage
  • Portable
  • High bay

Dimensions (Performance)

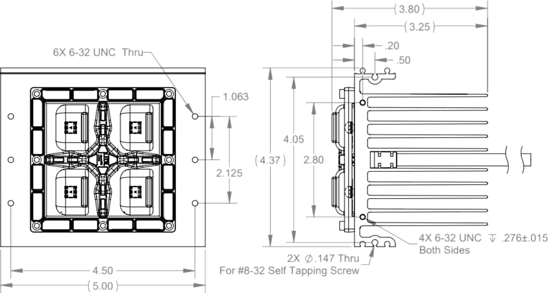
Mechanical Drawing - New Energy LED MOD BLOCKS

Dimensions (Standard)

Mechanical Drawing - New Energy LED MOD BLOCKS
Publicado: 2017-05-12 | Actualizado: 2022-07-07