Murata Power Solutions PE24110 Two-Stage Buck Regulator
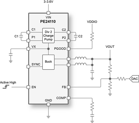
Murata Power Solutions PE24110 Two-Stage Buck Regulator offers a compact, low-profile, and ultra-high-efficiency step-down DC-DC converter solution. This module delivers 12A per stage output current from an input voltage range of 3V to 3.6V. The output voltage can be adjusted between 0.35V and 0.7V and is selected with external feedback resistors. The module can be connected in parallel for up to four phases to support 48A. To achieve a small 4mm x 3.2mm package size, the PE24110 uses a two-stage design that combines a capacitor divider charge pump followed by dual-phase buck regulators. Murata Power Solutions PE24110 Two-Stage Buck Regulator is ideal for point-of-load (PoL) regulators, optical modules, core supplies, application-specific integrated circuits (ASICs), and field-programmable gate arrays (FPGAs).Features
- Proprietary architecture enables efficiency with ultra-low profile and footprint
- 89% peak efficiency
- Wide input voltage range of 3V to 3.6V supports running off a nominal 3.3V bus supply
- Output voltage set by external feedback resistors
- Output voltage regulation accuracy better than ±1% for all line and load variations
- Output can be adjusted by external AVS DAC
- Parallel up to 4 devices
- 4mm x 3.2mm QFN package
- RoHS compliant
Applications
- Low-profile PoL regulators
- Optical modules
- ASICs
- FPGAs
- Core supplies
Efficiency
Simplified Application
Publicado: 2024-11-19
| Actualizado: 2024-12-10
