Murata MYC0409 Evaluation Modules

Murata MYC0409 Evaluation Modules are designed to evaluate MYC0409 ultra-thin DC-DC converters. These MYC0409 standalone charge pump modules are configured for operation with an input voltage range of 20V to 60V. The output voltage for the MYC0409-NA-120WD-EVM and MYC0409-NA-200WD-EVM modules is a fixed divide-by-4 conversion ratio from the input voltage. The input and output capacitors are mounted on the board to accommodate the entire range of input and output voltages. Each evaluation module requires a separate implementation board for measuring voltage, efficiency, power dissipation, and load regulation. The MYC0409 evaluation modules are ideally used in data centers, servers, networking equipment, base stations, and LED signage.

Features

  • Evaluate MYC0409 ultra-thin DC-DC converters
  • Operates with an input voltage range of 20V to 60V
  • 270kHz switching frequency
  • 95% full load efficiency

EVM Overview

Murata MYC0409 Evaluation Modules

EVM Connection

Murata MYC0409 Evaluation Modules

MYC0409-NA-120WD-EVM Start-Up Procedure

1. Set the power supply current limit to at least 4A. Connect the power supply to VIN power (+) and VIN power (-).

2. Connect one electronic load with more than 10A capacity between VOUT power (+) and VOUT power (-).

3. Set the input voltage to 48V and turn it on.

4. Measure the output voltages. VOUT should be VIN/4=12V.

5. Slowly increase the load current while monitoring the output voltages. The outputs should drop because this module is just a divider.

MYC0409-NA-200WD-EVM Start-Up Procedure

1. Set the power supply current limit to at least 6A. Connect the power supply to VIN power (+) and VIN power (-).

2. Connect one electronic load with more than 19A capacity between VOUT power (+) and VOUT power (-).

3. Set the input voltage to 48V and turn it on.

4. Measure the output voltages. VOUT should be VIN/4=12V.

5. Slowly increase the load current while monitoring the output voltages. The outputs should drop because this module is just a divider.

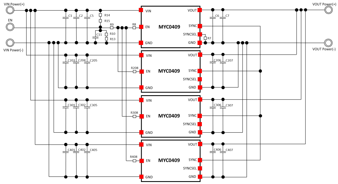
MYC0409-NA-120WD-EVM Schematic

Schematic - Murata MYC0409 Evaluation Modules

MYC0409-NA-200WD-EVM Schematic

Schematic - Murata MYC0409 Evaluation Modules
Publicado: 2024-03-15 | Actualizado: 2024-03-22