Monolithic Power Systems (MPS) MPQ6626 Hex Half-Bridge Motor Drivers
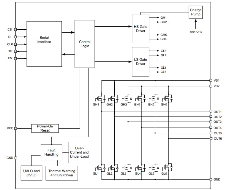
Monolithic Power Systems (MPS) MPQ6626 Hex Half-Bridge Motor Drivers are 6-channel half-bridge DMOS output drivers with integrated power MOSFETs. These motor drivers operate with an input voltage range of 5.5V to 40V with up to 0.8A output current capability and 3.9W of power dissipation. The MPQ6626 hex half-bridge motor drivers exhibit typical 1.3Ω RDS(ON), very low quiescent current in standby mode, and serial data interface. These hex half-bridge motor drivers contain 6 half-bridges that can be controlled separately via a standard serial data interface, and have various diagnostic functions. The MPQ6626 hex half-bridge motor drives include full protections including Short-Circuit Protection (SCP), Under-Voltage Protection (UVP), and thermal shutdown. These hex half-bridge motor drivers feature serial interface clock frequency up to 5MHz, and support 3.3V, and 5V systems. Typical applications include automotive and industrial devices and DC Motors.Features
- Wide 5.5V to 40V operating input range
- High-Side (HS) and Low-Side (LS) drivers connected in half-bridge configurations
- Up to 0.8A output current
- Typical 1.3Ω RDS(ON) (HS + LS)
- A very low quiescent current in standby mode versus total temperature range
- Outputs are short-circuit protected
- Over-Temperature (OT) protection and pre-warning
- Under-Voltage Lockout (UVLO) and Over-Voltage Lockout (OVLO)
- Serial data interface
- -40°C to 150°C operating temperature range
- 3.9W of power dissipation
- Diagnostic functions include:
- Shorted output
- Open load
- Over-Temperature (OT)
- Over-Voltage (OV)
- Under-Voltage (UV)
- Serial interface clock frequency up to 5MHz
- Supports 3.3V and 5V systems
- Available in a TSSOP-28 EP package
- Available in AEC-Q100 grade 1
Applications
- Automotive and industrial applications
- DC Motors
Block Diagram
Application Diagram
Publicado: 2022-09-01
| Actualizado: 2023-01-19
