Monolithic Power Systems (MPS) MPQ5075A-AEC1 Power Switch ICs
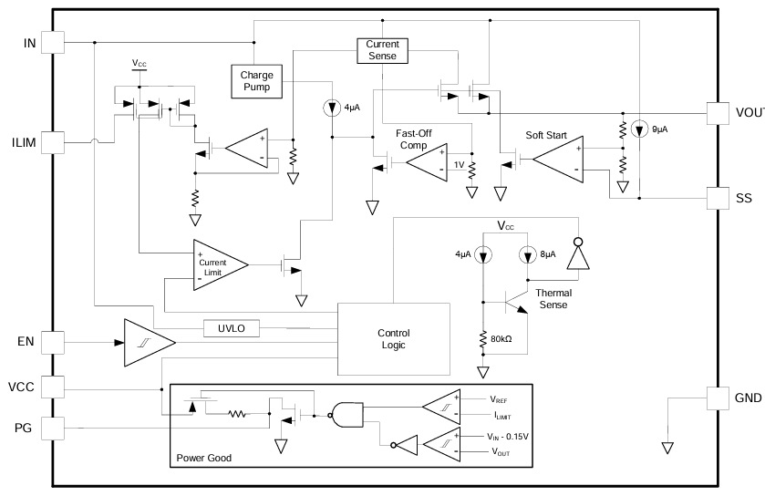
Monolithic Power Systems (MPS) MPQ5075A-AEC1 Power Switch ICs are configured by a load switch that provides up to 5A of load protection. These switch ICs' Soft Start (SS) function avoids inrush current during circuit start-up. The MPQ5075A-AEC1 ICs provide a configurable Soft-Start time (tSS), output discharge functions, Over-Current Protection (OCP), and thermal shutdown. These devices operate at a 1.2V to 5.5V input voltage (VIN) range and -40°C to 125°C junction temperature range. The MPQ5075A-AEC1 ICs with a low on-resistance (RDS(ON)) in a tiny package are available in a QFN-13 2.5mm x 3mm package. These power switch ICs are available in AEC-Q100 Grade 1. The MPQ5075A-AEC1 switch ICs incorporate a highly efficient, space-saving solution for industrial systems, automotive infotainment, automotive clusters, and Advanced Driver-Assistance System (ADAS) applications.The maximum load at the output source is current-limited, accomplished by utilizing a sense MOSFET topology. An internal charge pump drives the power device gate, allowing a very low RDS(ON) DMOS power MOSFET of only 10mΩ.
Features
- Guaranteed industrial/automotive temperature range
- Integrated 10mΩ on-resistance (RDS(ON)) MOSFET
- Adjustable start-up slew rate
- 1.2V to 5.5V wide input voltage (VIN) range
- <1μA shutdown current
- Configurable 5A current limit
- Output discharge
- Enable (EN) pin
- <200ns Short-Circuit Protection (SCP)
- Push-pull Power Good (PG) indicator
- Thermal protection
- Available in a small space-saving QFN-13 (2.5mm x 3mm) package
- Available in AEC-Q100 Grade 1
Applications
- Automotive infotainment
- Automotive clusters
- Advanced Driver Assistance Systems (ADAS)
- Industrial systems
Block Diagram
Application Diagram
Publicado: 2025-04-22
| Actualizado: 2025-04-29
