Monolithic Power Systems (MPS) MPQ28164 Buck-Boost Converters

Monolithic Power Systems (MPS) MPQ28164 Buck-Boost Converters are high-efficiency and single-inductor converters that operate from an input voltage above, equal to, or below the output voltage. These converters use current-mode control with a fixed pulse width modulation (PWM) frequency for optimal stability and transient response. The modules use an optional pulse-skipping mode that reduces the switching frequency under light-load conditions and ensures the longest possible battery life. MPS MPQ28164 Buck-Boost Converters are available in a small QFN-11 package. Typical applications include battery-powered devices, portable instruments, tablet PCs, and super-cap chargers.

Features

  • High efficiency
  • Single inductor
  • Operates from input voltage above, equal to, or below output voltage
  • Current-mode control with fixed PWM frequency
  • Optional pulse-skipping mode reduces switching frequency under light-load conditions
  • High-logic input on MODE/SYNC pin
  • Load disconnect during shutdown
  • Internal soft-start (SS) and compensation
  • Power good indicator
  • Hiccup mode for short-circuit protection (SCP)
  • Overtemperature protection (OTP)

Specifications

  • 1.8V minimum start-up input voltage
  • 1.2V to 5.5V input voltage range
  • 1.5V to 5V output voltage range
  • 4.2A switching current limit
  • 3.3V/2A load capability from a 2.5V to 5.5V input supply range
  • 2MHz fixed or external synchronous switching frequency

Applications

  • Battery-powered devices
  • Portable instruments
  • Tablet PCs
  • Super-cap chargers

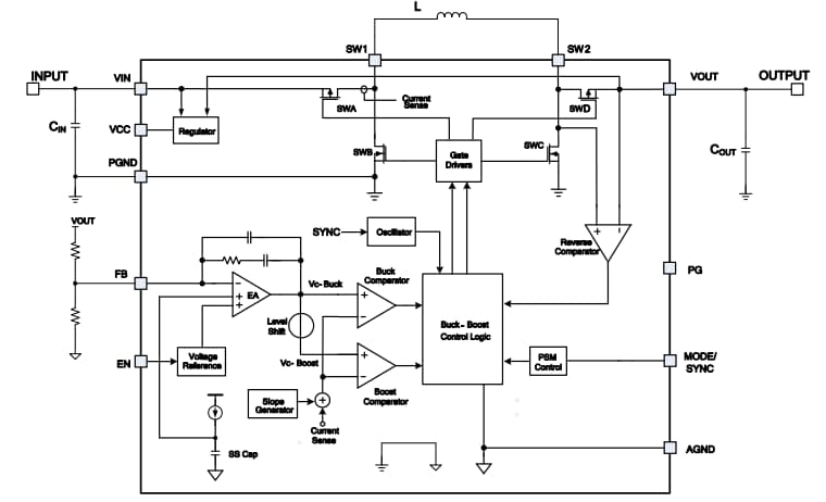
Block Diagram

Block Diagram - Monolithic Power Systems (MPS) MPQ28164 Buck-Boost Converters
Publicado: 2020-04-01 | Actualizado: 2024-04-01