Monolithic Power Systems (MPS) MP4865A Analog Switch
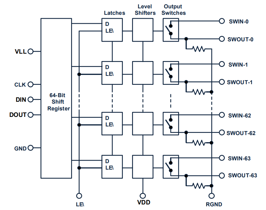
Monolithic Power Systems (MPS) MP4865A Analog Switch is designed to multiplex the transmit and receive voltages to and from multiple Piezoelectric Transducers (PZTs). This Single-Pole Single-Throw (SPST) analog switch features integrated output bleed resistors and the output switches are controlled by a 64-bit serial shift register, followed by a 64-bit data latch. The data out pin (DOUT) allows multiple devices to be cascaded together, which helps minimize the number of input/output (I/O) control lines. The MP4865A does not require any high-voltage supplies. This analog switch only requires two low-voltage supplies (3.3V and 5V) and can block or pass analog voltages up to ±90V with peak currents up to ±1.8A. Typical applications include medical ultrasound imaging and Non-Destructive Testing (NDT).Features
- No high-voltage supplies required
- 64-channels
- Up to ±90V analog signals
- 14Ω typical switch resistance
- ±1.8A typical switch peak current
- Off-isolation of -66dB @ 5MHz
- Integrated output bleed resistor
- 60MHz clock frequency
- 5V bias
- Available in a BGA-144 (10mm x 10mm) package
Applications
- Medical ultrasound imaging
- Non-Destructive Testing (NDT)
Block Diagram
Typical Application Circuit
Publicado: 2023-04-06
| Actualizado: 2023-04-12
