Monolithic Power Systems (MPS) EVQ4576 Evaluation Board
Monolithic Power Systems (MPS) EVQ4576 Evaluation Board is designed to demonstrate the capabilities of the MPQ4576 and MPQ4576-AEC1, which are fully integrated, fixed-frequency, and synchronous step-down converters. This evaluation board operates at 5V output voltage, 5V to 60V input voltage range and up to 0.6A of continuous output current with peak current control for the transient response. The EVQ4576 board features Advanced Asynchronous Modulation (AAM) mode achieving efficiency under light-load conditions by scaling down the frequency to reduce switching and gate driver losses. Typical applications include automotive systems and industrial power systems.Features
- Selectable Advanced Asynchronous Modulation (AAM) mode or Forced Continuous Conduction Mode (FCCM) during light-load operation
- 0.45ms internal Soft Start (SS)
- Remote Enable (EN) control
- Power Good (PG) indicator
- Low-Dropout (LDO) mode
- Over-Current Protection (OCP)
- Thermal shutdown
- Available in a QFN-12 (2.5mm x 3mm) package
- Available in AEC-Q100 grade 1
Specifications
- 5V to 60V wide operating input range 0.6A continuous output current (IOUT)
- High-efficiency, synchronous mode control
- 250mΩ/45mΩ internal power MOSFETs
- Up to 2.2MHz configurable Switching Frequency (fSW)
- 180° out-of-phase SYNCO clock
- 40μA Quiescent Current (IQ)
Applications
- Automotive systems
- Industrial power systems
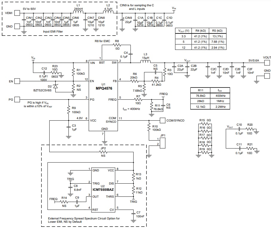
Schematic
Performance Graph
Publicado: 2022-12-19
| Actualizado: 2023-01-09
