Monolithic Power Systems (MPS) EV2174C-G-00A Evaluation Board
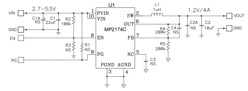
Monolithic Power Systems (MPS) EV2174C-G-00A Evaluation Board evaluates MP2174C low voltage high switching frequency step-down switch-mode converters with built-in power MOSFETs. This evaluation board features forced PWM mode operation, short circuit protection with hiccup mode, and auto discharge at power off. The EV2174C-G-00A evaluation board operates at a 2.7V to 5.5V input voltage range and a -40°C to +125°C temperature range. This evaluation board provides a 4A output current and 0.6V minimum output voltage. MPS EV2174C-G-00A Evaluation Board is ideal for storage drives, PDAs, DVD drives, wireless/networking cards, portable/handheld devices, and low voltage I/O system power.Features
- Forced PWM mode operation
- 100% duty cycle in dropout
- EN and power good for power sequencing
- Auto discharge at power-off
- Short circuit protection with hiccup mode
Applications
- Storage drives
- Portable instruments
- DVD drives
- Low voltage I/O system power
- Small handheld devices
- PDAs
Specifications
- 2.7V to 5.5V operating input voltage range
- -40°C to +125°C operating temperature range
- 4A output current
- 1.1MHz frequency
- 0.5ms internal soft-start time
Schematic Diagram
Publicado: 2020-03-12
| Actualizado: 2024-10-17
