Monolithic Power Systems (MPS) EV1909-TL-00A Evaluation Board

Monolithic Power Systems (MPS) EV1909-TL-00A Evaluation Board is designed to evaluate and demonstrate the MP1909, a half-bridge N-channel power MOSFET gate driver. This evaluation board features a 4.5V to 12V driver voltage range, up to 50V Bootstrap (BST) voltage, up to 2.2MHz switching frequency, and low quiescent current. The EV1909-TL-00A evaluation board supports up to 100% duty cycles and Under-Voltage Lockout (UVLO) protection for both the High-Side (HS) and Low-Side (LS) driver channels. This evaluation board is available in SOT583-8 (1.6mm x 2.1mm) package. Typical applications include wireless charging, e-cigarettes, drones, avionics DC/DC converters, and active-clamp forward converters.

Features

  • 4.5V to 12V driver voltage range (VCC)
  • 0V to 30V input voltage range
  • Up to 50V Bootstrap (BST) voltage
  • Up to 2.2MHz switching frequency (fSW)
  • Under-Voltage Lockout (UVLO) protection for both the High-Side (HS) and Low-Side (LS) driver channels
  • One Pulse-Width Modulation (PWM) signal generates both drive signals
  • Low quiescent current (IQ)
  • Integrated BST diode
  • Supports up to 100% duty cycles
  • Available in a SOT583-8 (1.6mm x 2.1mm) package

Applications

  • Wireless charging
  • E-Cigarettes
  • Drones
  • Avionics DC/DC converters
  • Active-clamp forward converters

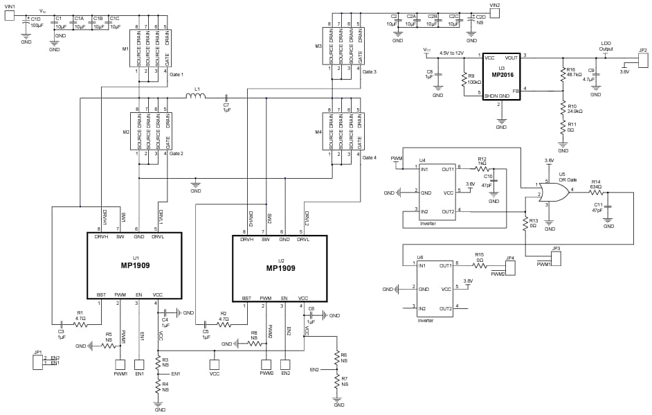
Schematic Diagram

Schematic - Monolithic Power Systems (MPS) EV1909-TL-00A Evaluation Board
Publicado: 2023-05-31 | Actualizado: 2023-06-20