Microchip Technology ATECC608A DT100104 Trust Development Board

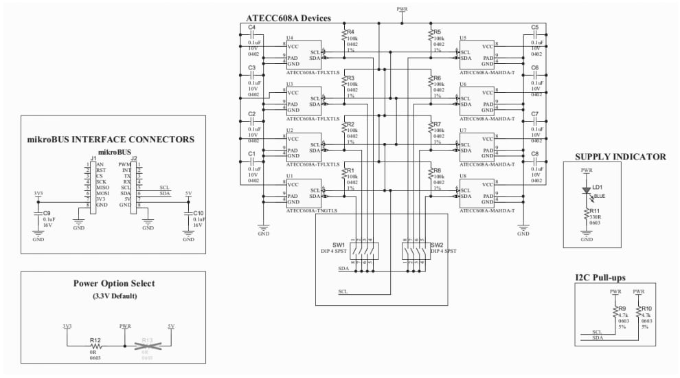
Microchip ATECC608A DT100104 Trust Development Board is an add-on board to the DM320118. The DT100104 Trust Development Board contains the ATECC608A-TNGTLS (Trust&GO), ATECC608A-TFLXTLS (TrustFLEX), and ATECC608A-MAHDA (TrustCUSTOM) secure elements. The ATECC608A secure elements of Trust&GO, TrustFLEX, and TrustCUSTOM allow the ability to develop solutions based on the application's requirements.

The DT100104 Trust Board supports a mikroElectronica header that connects to any board with a mikroBUS connection. The DT100104 Board provides an alternative to the sample units that require a socket board for initial development and testing.

Features

  • Contains 8 ATECC608A secure elements
    • 1 Trust&GO: ATECC608A-TNGTLS
    • 3 TrustFLEX: ATECC608A-TFLXTLS
    • 4 TrustCUSTOM: ATECC608A-MAHDA
  • mikroBUS header for connecting to any mikroBUS host header
  • Can also be connected to any Microchip Xplained boards using ATMBusAdapter
  • DIP switch to select the required secure element for development purposes
  • Ability to select one device of each type (max 3)

Videos

Front & Back View

Location Circuit - Microchip Technology ATECC608A DT100104 Trust Development Board

Connections to an Xplained Pro Development Platform

Chart - Microchip Technology ATECC608A DT100104 Trust Development Board

Schematic

Schematic - Microchip Technology ATECC608A DT100104 Trust Development Board

DT100104 connected to a CryptoAuth Trust Platform Dev Board

Microchip Technology ATECC608A DT100104 Trust Development Board
Publicado: 2019-10-04 | Actualizado: 2025-07-28