Microchip Technology AT42QT1481 Capacitive Touch Controller

Microchip Technology AT42QT1481 Capacitive Touch Controller is a digital burst mode sensor, designed specifically for QMatrix layout touch controls. The Microchip QMatrix sensing algorithm (mutual capacitance) enables the designers to achieve more buttons than there are pins because of this matrix layout. The AT42QT1481 allows a wide range of key sizes and shapes to be mixed together in a single touch panel. The AT42QT1481 is designed for use with up to 48 keys. The device includes all signal processing functions necessary to provide stable sensing under a wide variety of changing conditions and frequencies. Only a few external parts are required for operation.

Features

  • Up to 48 keys
  • Transverse charge-transfer (QT™) sensing, with frequency hopping
  • 6mm × 6mm or larger (panel thickness dependent); widely different sizes and shapes possible
  • 8mm or wider, center to center (panel thickness dependent)
  • Two-part electrode shapes (drive-receive); wide variety of possible layouts
  • One layer (with jumpers), two layers (no jumpers)
  • PCB, FPCB, silver or carbon on film, ITO on film
  • Plastic, glass, composites, painted surfaces (low particle density metallic paints possible)
  • Compatible with grounded metal immediately next to keys
  • Up to 50mm glass, 20mm plastic (key size dependent)
  • Individually settable via simple commands over a serial interface
  • Self-calibration, auto drift compensation, noise filtering, Adjacent Key Suppression®
  • Detects and Reports Key Failure 
  • Interfaces
    • UART
    • SPI slave (4MHz maximum clock rate)
    • STATUS indication pin
    • Debug output
  • FMEA-compliant design features
  • IEC/EN/UL60730 compliant design features
    • UL approval
    • VDE compliance
    • For use in both class B and class C safety-critical products
  • 4.75V to 5.25V
  • 44-pin 10mm × 10mm TQFP
  • RoHS compliant

Applications

  • Appliances
  • Human Machine Interface 

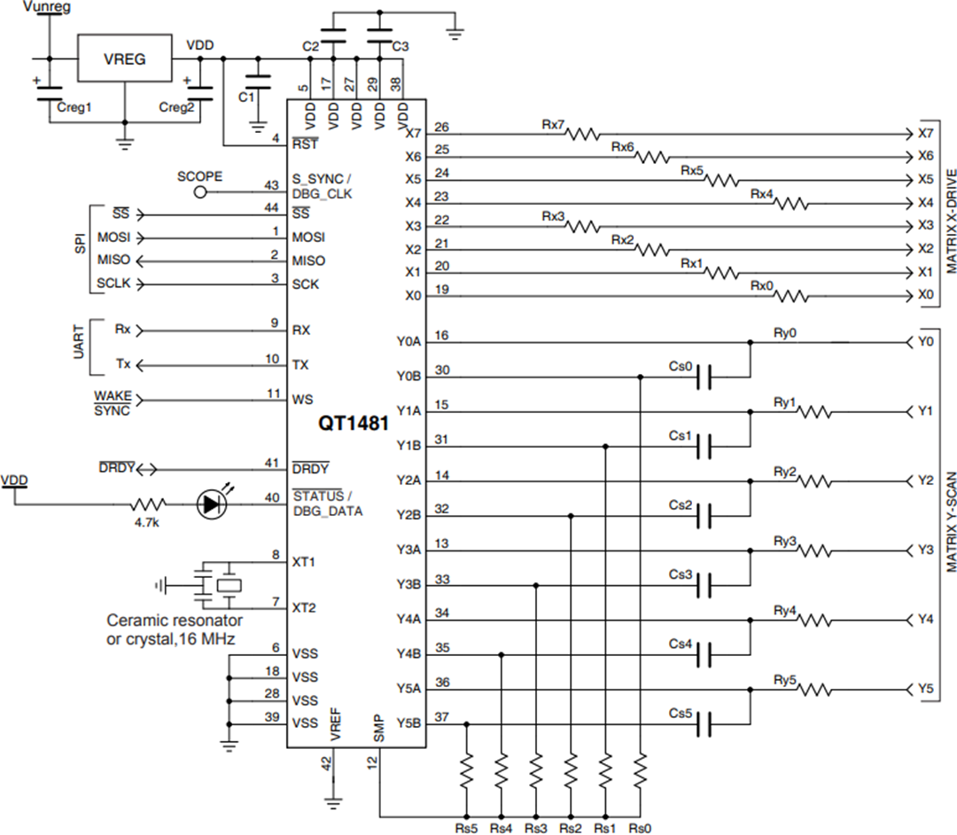
Application Circuit

Application Circuit Diagram - Microchip Technology AT42QT1481 Capacitive Touch Controller
Publicado: 2018-12-20 | Actualizado: 2023-01-10