MACOM CMPA5259050S-AMP1 Test Board

MACOM CMPA5259050S-AMP1 Test Board is designed to quickly and easily demonstrate the CMPA5259050S amplifier. The CMPA5259050S GaN MMIC Power Amplifier includes a two-stage reactively matched amplifier design approach enabling high power and power-added efficiency. The gallium nitride (GaN) High Electron Mobility Transistor (HEMT) based monolithic microwave integrated circuit (MMIC) features 27dB small-signal gain, 65W typical PSAT, and up to 28V operation.

The MACOM CMPA5259050S-AMP1 Test Board includes the CMPA5259050S amplifier.

Features

  • >50% typical power-added efficiency
  • 27dB small signal gain
  • 65W typical PSAT
  • Operation up to 28V
  • High breakdown voltage
  • High-temperature operation

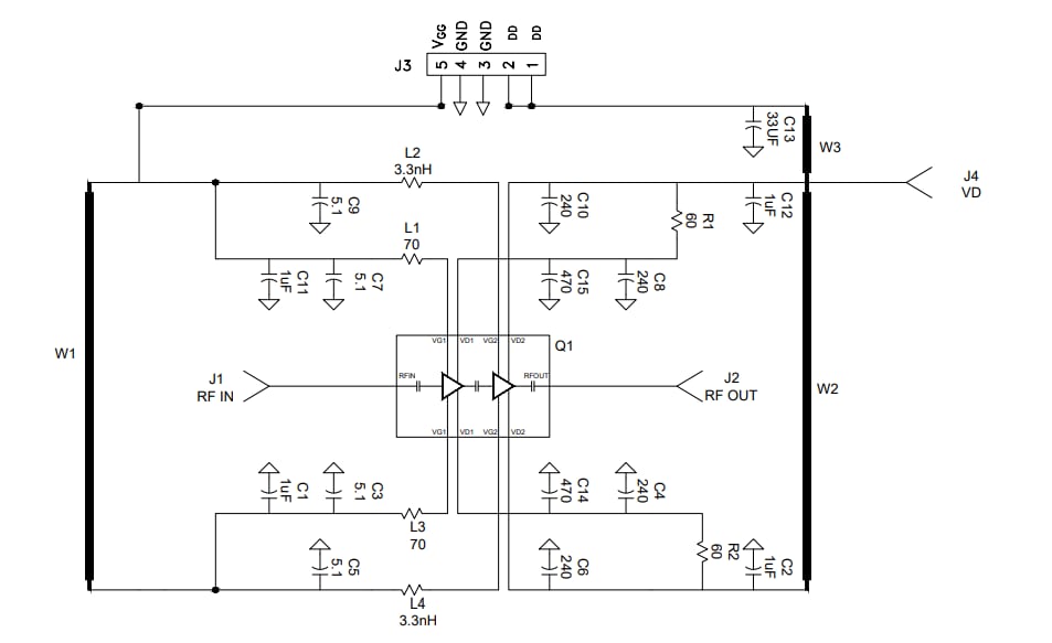
Demonstration Amplifier Schematic

Schematic - MACOM CMPA5259050S-AMP1 Test Board
Publicado: 2022-05-25 | Actualizado: 2024-01-18